Convertite en una calculadora humana

“Aquí vienen ciertos trucos para la mejor realización de los test psicoténicos, además de estos trucos vienen ciertas explicaciones sólo a efectos de recordar cómo se hacen o formas de agilizarlas, en todo caso, habrá de entenderse esto como una alternativa diferente a la habitual para realizar diferentes ejercicios, en algunos casos se sutituye una forma relativamente compleja por varias sencillas, con lo que se podría realizar o bien mentalmente o más rápido que en otros casos. Sin embargo hay que decir que algunos ejercicios necesitan ser trabajados, se aprenden rápido pero cuanto más se trabajen mejores resultados se pueden obtener”.
- MATEMÁTICOS -
1. Calcular el 50% es igual a dividir por 2
(el 50% de 350 = 175)
2. Calcular el 25% es igual a dividir por 4
(el 25% de 350 = 87´5)
3. Multiplicar por 0´5 es igual a dividir por 2
(350 x 0´5 = 350 : 2 = 175)
4. Multiplicar por 0´25 es igual a dividir por 4
(350 x 0´25 = 350 : 4 = 87´5)
5. Dividir por 0´5 es igual a multiplicar por 2
350 / 0´5 = 350 x 2 = 700)
6. Dividir por 0´25 es igual a multiplicar por 4
(350 / 0´25 = 350 x 4 = 1400)
7. Para multiplicar por 5 se añade un cero a la cantidad y luego se divide entre dos
(350 x 5 = 3500 : 2 = 1750)
8. Para dividir entre 5 se divide la cantidad entre 10 y luego se multiplica por dos
(350 : 5 = 35 x 2 = 70)
9. Multiplicación por once (x 11)
Una forma de multiplicar por 11, es primero hacerlo por 10 y luego sumarle el número a multiplicar:
3.719 x 11 = 3.719 x 10 + 3.719 = 37.190 + 3.719 = 40. 909
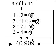
10. Multiplicación por once (x 11)
1º La última cifra de la cantidad a multiplicar será la última cifra del resultado
2º Se suman los dos últimos dígitos y su resultado será el penúltimo dígito del resultado, si da un resultado de dos dígitos se pone el último de ellos y el primero se lleva
3º Se suman el penúltimo dígito y el siguiente más el resto (si lo lleva)
4º Se suman el antepenúltimo dígito y el siguiente (más el resto)
5º Se sigue el mismo proceso hasta llegar al último dígito, suponiendo que ya sea este se pone directamente como primera cifra, si llevamos resto habría que sumárselo
11. Multiplicación por 11 (x 11)
Otra forma de multiplicar por once sería hacerlo primero por diez y luego sumarle el número
3.719 x 10 = 37.190 + 3.719 = 40.909
12. Multiplicación por quince (x 15)
1º Se divide entre 2 el número a multiplicar
2º Se suma el número a multiplicar con el resultado de la operación anterior
3º Se multiplica por 10
46 x 15
46 :2 = 23
46 + 23 = 69 x10 = 690
13. División entre quince (:15)
1º Se divide entre diez al número
2º Ahora se divide entre 3
3º Se multiplica entre dos
2.580 : 10 = 258 : 3 = 86 x 2 = 172
3.000 : 10 = 300 : 3 = 100 x 2 = 200
14. Multiplicación por veinticinco (x 25)
1º Se divide el número a multiplicar entre 4
2º El resultado se multiplica por 100
3º 42 x 25 = 42 : 4 = 10´5 x 100 = 1.050
3.753 x 25 = 938 ´25 x 100 = 93.825
15. División entre 25 (: 25)
1º Se divide entre 100
2º Se multiplica por 4
8150 : 100 = 81´5 x 4 = 326
16. Multiplicación de números de 2 cifras:
1º Multiplicamos las últimas cifras (último dígito del resultado, si son dos se lleva la primera cifra)
2º Multiplicamos en cruz (lo que indica el propio signo de multiplicación), el segundo dígito del resultado
3º Multiplicamos las 2 primeras cifras (el primer o primeros dígitos del resultado)
17. Multiplicación de dos términos terminados en la misma cifra
1º Se multiplican los dos últimos dígitos entre sí, su resultado será la última cifra
2º Se suman los dos primeros numeros entre sí y se multiplican por el último término (si acaba en uno, por uno, si acaba en dos por dos, etc.), si de esta multiplicación quedaran dos términos se cogerá el último como penúltimo dígito del resultado y el primero se llevaría.
3º Se multiplican las primeras cifras y se suman las que se llevan, si se lleva alguna, el resultado serán las dos primeras cifras


18. Para multiplicar 2 cifras de dos dígitos cada una y terminados en 5
1º Se suman los dos primeros dígitos de ambas cifras
2º Su resultado de divide entre 2 (si la cifra es par terminará en 25 y, si es impar en 75)
3º Se multiplican los dos primeros dígitos y a su resultado se le suma la cantidad del 2º caso y lo que dé, serán las dos primeras cifras.

19. Multiplicación de potencias de dos dígitos
1º Se multiplican los últimos dígitos, cogemos el último número y llevamos el primero
2º Multiplicamos los términos entre sí y luego por 2, cogemos el el último número y llevamos el primero.
3º Multiplicamos por sí misma la primera cifra
20. Potencias de 2 dígitos acabados en 5
1º Siempre van a acabar en 25, estas serán siempre los dos últimos dígitos
2º El primer dígito se multiplicará por el inmediatamente superior, es decir, si es el 3 se multiplicará por el 4, si es el 7 por el 8, si es el 9 por el 10, etc. y el resultado serán las dos primeras cifras.
21. Multiplicación de dos números comprendidos entre 90 y 100 (ambos números)
1º Se calcula en ambos números la diferencia que hay al cien, quedarán dos números, uno por cada multiplicando, se suman estos números entre sí
2º Con el resultado se calcula la diferencia que hay al cien y serán los primeros 2 dígitos
3º Se multiplican los números que resultaron del primer paso entre sí y el resultado serán las últimas 2 díg., si el resultado fuese un solo dígito se le pondrá un 0 delante, es decir, si da nueve se entenderá que es 09
22. Cuando estamos apurados intentando calcular algo, a veces, no nos damos cuenta de los detalles más tontos, por eso, cuando se multiplica, si se repite un número en la multiplicación, no lo multipliques dos veces, es decir, si aparece el nº 4.547 x 7.572, el 7, lo multiplicas una vez y cuando llegues al otro siete, sólo tienes que copiar la operación del primero o bien ¿quién no ha multiplicado alguna vez por uno en vez de poner la cifra directamente?, en fin, hay que tratar de evitar estas pérdidas de tiempo
23. Si ponen una multiplicación cualquiera, quizás no sea necesaria realizarla, por ejemplo, si nos dicen de multiplicar 523 x 937, nos fijamos en las últimas cifras el 3 y el 7 que multiplicados son 21, es decir, que sea el número que sea tiene que acabar en uno, si entre las respuestas sólo hay una cantidad que acabe en uno, habrá de ser esta.
24. En relación con el anterior, también puede valer el cálculo aproximado, por ejemplo, en vez de multiplicar el 523 x 937 (=490.051), hagámoslo así, 523 x 900 = 470.700, si las cantidades que hay como respuestas son muy dispares, puede servir este truco, sobretodo en conjunción con el anterior.
25. Si además tienen decimales, a veces, no hace falta más que mirar cuántos son éstos, por ejemplo, si nos dicen multiplicar 35´42 x 52´27 el resultado tiene que tener cuatro decimales, dos por cada cantidad, hay que tener cuidado que, si el resultado acaba en 0 este se puede suprimir.
26. Cuando nos hacen la típica pregunta de: un padre tiene 45 años, y su hijo 13, ¿cuántos años tendrán que pasar para que el padre duplique la edad del hijo?, la fórmula sería:
E + X = 2 (e + X)
45 + X = 2 (13 + X);
45 + X = 26 + 2X;
45 - 26 = 2X - X;
19 = X
19 + 13 = 32
19 + 45 = 64
27.
28. Siempre que la suma de impares sea impar, el resultado será impar.
3 + 5 + 8 + 9 + 2 = 27 resultado impar por haber 3 impares y 2 pares
- PORCENTAJES -
29. Para calcular el % de una cantidad se multiplica por 100 el porcentaje y el resultado, se multiplica por la cantidad.
(el 15% de 3.500, 15 : 100 = 0´15 x 3.500 = 525)
El 45% de 2.000 = 0´45 x 2.000 = 900
30. Si nos dan 2 cantidades y hay que hallar el porcentaje que hay entre ellas, hay dos formas, pero ésta, es la más rápida. Se restan las dos cantidades y se hace una regla de tres simple con la cantidad resultante y la mayor de las dos cantidades iniciales, el resultado es el porcentaje que las separa.
Algo costaba 30.000 € y ahora cuesta 23.000 € ¿Cuál es el tanto por cien que me descontaron?
30.000 - 23.000 = 7.000
30.000 -------- 100
7.000 -------- X
X = 700.000/30.000 = 23´33 %
C-c=d// x=d·100/C
Si se quiere calcular la cantidad pagada, se resta al 100% el resultado = 76´67%
31. Calcular en qué cantidad se convierte otra si se le aumenta o disminuye un porcentaje, hay dos formas:
Si a 327 € le aumentamos un 37% ¿En qué cantidad se convierte?
1ª
el 37% de 327 = 120´99
327 + 120´99 = 477´99
2ª (+ Rápido)
327 ------- 100%
X ------- 137%
X= 327 · 137 / 100 = 477´99
C·(100+%)/100
32. Calcular una cantidad conociendo el tanto por ciento El 32% de una cantidad es 536. Calcula dicha cantidad
32 % ------ 536
100% ------ X
X= 53600/32= 1.675
C·100/%
- REPARTO PROPORCIONAL -
33. - Si se quiere repartir en partes directamente proporcionales 1.520 € a 3, 5 y 2
3X + 5X + 2X = 1.520
10X = 1.520
X = 1.520/10 = 152
3X = 3 · 152 = 456
5X = 5 · 152 = 760
2X = 2 · 152 = 304
34. - Reparto directo de 15.600 a 2/5, 4/3 y 1/4
2X/5 + 4X/3 + 1X/4 = 15.600
24X + 80X + 15X = 936.000
119X = 936.000
X = 936.000/119 = 7865´5
2X/5 = 2/5 · 7865´5 = 3.146´2
4X/3 = 4/3 · 7865´5 = 10.487´3
1X/4 = 1/4 · 7865´5 = 1.966´3
35. - Repartir 58 en directamente a 6 y 8 e inversamente a 2 y 3 (inverso de 2 y 3 = 1/2 y 2/3)
Se multiplican los términos de la serie directa por los de la serie inversa
6 · 1/2 = 6/2 8 · 1/3 = 8/3
6X/2 + 8X/3 = 58
9X + 8X = 174 17X = 174
X = 174/17 = 10´235
6X/2 = 6 · 10´235/2 = 30´706
8X/3 = 8 · 10´235/3 = 27´294
- SERIES -
En las series de números, se plantean varios números y entre ellos hay alguna lógica, por lo normal desbes descubrir cuál es el número qué sigue, en otras ocasiones debes decir el segundo número o los dos últimos, el número que sobra, alguno que falta en medio, etc., las series pueden ser de números, letras, fichas de dominó, cartas de la baraja, etc. todos son lo mismo, lo único que hay que tener en cuenta es en que base trabajan, con los números son infinitos, pero las letras son 27 (sin contar la “ch”, y la “ll”), que las fichas de dominó trabajan en base 6, etc.
36. Puede ser una sucesión de números:
1 - 2 - 3 - 4 - ?;
2 - 4 - 6 - 8 - ?;
3 - 5 - 9 - 11 - ?
hay que fijarse de que esta sucesión puede ser de un numero contreto, como puede ser de dos en dos, de 15 en 15 etc, también por numeros pares o impares, etc.
37. Puede ser que sume o reste una cantidad concreta:
1 - 6 - 11 - 16 - ?;
25 - 28 - 34 - 43 - ?
esta suma puede ser doble, es decir, que además de sumar un número, éste también se sume: en la segunda serie vemos que del 25 al 28 hay 3 y del 28 al 34 hay 6 (3+3) y del 34 al 43 hay 9 (3+3+3)
38. Dentro de las sumas, también se pueden sumar con el anterior: por ejemplo en la serie 1 - 2 - 3 - 5 - 8, vemos un 1 que sumándole el 2 da 3, éste sumado con el 2 da 5 etc., vendría quedando así: [color=blue]1 + 2 = 3 + 2 = 5 + 3 = 8[/color] y si siguiéramos 5 + 8 = 13
En vez de sumar se pueden restar, multiplicar o dividir 2 - 2 - 4 - 8 - 32 - 256
Cuando en una serie los números ascienden demasiado es porque hay multiplicación.
39. Hay series de este tipo:
4 - 9 - 16 - 25 - 36;
9 - 27 - 81 - 243;
3 - 5 - 9 - 17 - 33
en la primera serie sería: 22 - 32 - 42 - 52 - 62, en la 2ª: 32 - 33 - 34- 35 y en la tercera serie: 2x2=4-1=3x2=6-1=5x2=10-1=9x2=17x2=34-1=33, o sea, x2 y -1
40. En todos los casos se suelen complicar intercalando varias series, no suelen ser más de dos series, aunque si hay muchos números puede haber una tercera serie, por ejemplo:
25 - 1 - 28 - 2 - 34 - 3 - 43 - ?
A veces, intercalan un número fijo, 25 - 25 - 28 - 25 - 34 - 43 - 25 - ?
Hay muchas otras formas de crear series, cuantas más conozcas más rápidamente podrás encontrar la solución por lo que sería conveniente continuar buscando posibles sistemas de series.
- MEMORIA -
41. Este es un truco que hay que trabajarlo pero que es muy efectivo una vez asimilado. Consiste en asignar a cada número un objeto, una persona o algo que se familiarice con dicho número, por ejemplo, el 1 lo podemos familiarizar con una chimenea, con un lápiz, etc., por su forma, también con la luna, con Dios, etc. porque hay uno, en fin, tú buscas la analogía que mejor se aproxime a ese número para poder recordarlo siempre.
42. Otra forma de buscar palabras es asignándole a cada dígito una sola letra, esta letra debe ser consonante y con ella formar las palabras según el número que se trate. Por ejemplo:
Vamos a asignar al nº 1 la letra L, al 2 la D, al 3 la M, al 4 la R,al 5 la S, al 6 la G, al 7 la T, al 8 la B, al 9 la P y al 0 la C, (hay letras que podrían ser más exactas al número, pero podrían dificultar luego el ejercicio).
Una vez asignadas las letras a los números sólo es buscar las palabras adecuadas formándolas con estas letras, así podría quedar que el número 10 fuese LoCo, la L por el 1 y la C por el 0, las vocales son lo de menos, el 33 MoMia, el 74 ToRo, etc.
Sería conveniente llegar hasta el nº 100, de esta manera luego los trucos con números serían mucho más fáciles.
43. Podemos acordarnos de los números, imaginémonos que nos dan para recordar el número: 9 5 5 6 3 2 2 1 4 5 6 7 8 5 6 3 2 1 5 4, podríamos pensar en lo siguiente:
"Una nube agarrada por 2 manos que están encima de un sofá y son de un coronel, tiene a su lado un cisne (22) y en la cola de éste y muelle (14) sujeto por una mano, que está apoyada en otro sillón, al lado una bola de cristal que tiene unas gafas sujetas por otra mano y ésta apoyada en otro sillón y otro coronel que está en un camión con la mano en una mesa."
Bien, es cierto que, para acordarse de esto es un rollo, pero creo que si nos dan poco tiempo para recordar un número de 20 dígitos como es este, sería mejor utilizar algún sistema, y este es uno. El mayor problema que presenta es que es secuencial, es decir, que necesitas ir uno a uno para recordar el número, que si te preguntan: ¿cuál es el quinto número o el décimoquinto o el décimonono? será bastante difícil recordarlo sin ir uno a uno o desde algún número clave, sí, no sería mala idea cada cinco unidades saber que tienes uno clave y también dividir las cifras de 10 en 10 o algo así.
- PERCEPCIÓN LÓGICA -
Si nos ponen ejercicios del tipo: a la palabra COMENDADORA le corresponde el número 12345676287, ¿qué número corresponde a la palabra REDOMADA?
a) 84627367 b) 84623776 c) 84623767 d) 48623767
44. Fíjate que, sólo la “d” no empieza por 8, miramos la R y vemos que equivale a 8, por lo que la “d” queda descartada.
En las demás respuestas, todas empiezan por el 8462, por lo que no vamos a mirar estos números (con lo que ahorramos mucho tiempo), ahora podemos hacer dos cosas, vemos que la “b” y la “c” siguen con 37 y por otro lado que la “a” y la “c” terminan en 7, como en el 37 también hay un 7 mejor miramos este número y así matamos dos pájaros de un tiro, vemos que el 7 equivale a la A, por lo tanto la “b” queda descartada, pues termina en 6 y este número equivaldría a la letra D. Ahora sólo quedan como posibles respuestas la “a” y la “c”, como las cuatro primeras letras -8462- no nos interesan vemos que en la respuesta “a” le sigue un 7 ,que sabemos que es una A y en la respuesta “c” vemos que hay un 3, que no sabemos a que letra corresponde, pero no importa pues como sabemos a que letra corresponde el 7 comprobaremos esta respuesta y.
- VARIACIONES, PERMUTACIONES Y COMBINACIONES -
45. Variaciones: son agrupaciones ordenadas de objetos de un conjunto en el que importa el orden. Es muy sencillo, si nos dicen que hay 10 bolas de colores y que tenemos que ordenarlas en grupos de 3 y preguntan cuántos de estos grupos podremos formar haremos asi:
V10,3= 10 · 9 · 8 = 720, como se ve, se parte de la cantidad total y se calcula un factorial (n!) del número de elmentos de la variación, en este caso tres.
46. Permutaciones: es saber de cuántas formas podemos ordenar algo, es decir, si tenemos 5 bolas, cada una de un color diferente y queremos saber cuántas filas diferentes podemos ordenar (rojo, verde, azul, gris, blanco o verde, azul, gris, blanco, rojo, etc.), para ello se halla el factorial del número total de opciones (Pn!), en el caso de las bolas sería:
P5 = 5 x 4 x 3 x 2 x 1 = 120 posibilidades
47. Combinaciones: esto viene a ser una variación partido por una permutación, no importa el orden
¿Cuántas parejas se podrían formar con 20 personas?
1º Tenemos un conjunto de 20 elementos y tenemos que cogerlos de 2 en 2
2º No importa el orden, es la misma pareja Juan y Rosa que Rosa y Juan
3º C20,2 = V20,2/P2 = 20 · 19/2 · 1 = 190 parejas
(el factorial - n! - es la multiplicación de un número por todos los números menores que él, es decir, el factorial de 6 es: 6! = 1 x 2 x 3 x 4 x 5 x 6)
Visita mis mejores post