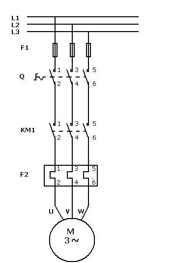
Los objetivos de una salida a motor son los siguientes:
- Comandar el Motor (encendido y apagado del Motor).
- Proteger a sus componentes contra los efectos de fallas de origen eléctricos.
- Asegurar la seguridad del personal.
- Maximizar la comunidad de servicio.
Para cumplir con los objetivos planteados, toda salida a motor debe cumplir con cuatro funciones básicas:
* Seccionamiento: separación del motor de la red de distribución eléctrica que lo alimenta.
* Conmutacion o Comando: Establecimiento y corte de la corriente que tome la carga.
* Protección contra cortocircuitos: protección del motor contra los daños causados por las altas corrientes.
* Protección contra sobrecargas: protección del motor contra los efectos de las corrientes de sobrecarga.
Los componentes que pueden integrar una salida a motor son:
I - Contactores.
II - Relés Térmicos.
III - Guardamotores Magnéticos.
IV - Fusibles.
V - Guardamotores Magnetotérmicos.
VI - Seccionadores.
VII - Seccionadores portafusibles c/fusibles.
Un contactor es un dispositivo con capacidad de cortar la corriente eléctrica de un receptor o instalación con la posibilidad de ser accionado a distancia, que tiene dos posiciones de funcionamiento: una estable o de reposo, cuando no recibe acción alguna por parte del circuito de mando, y otra inestable, cuando actúa dicha acción. Este tipo de funcionamiento se llama de "todo o nada".

Constitución de un contactor electromagnético
- Contactos Principales. Son los destinados a abrir y cerrar el circuito de potencia. Están abiertos en reposo.
- Contactos Auxiliares. Son los encargados de abrir y cerrar el circuito de mando. Están acoplados mecánicamente a los contactos principales y pueden ser abiertos o cerrados.
- Bobina. Elemento que produce una fuerza de atracción (FA) al ser atravesado por una corriente eléctrica. Su tensión de alimentación puede ser de 12, 14 y 220V de corriente alterna, siendo la de 220V la más usual.
- Armadura. Parte móvil del contactor. Desplaza los contactos principales y auxiliares por la acción (FA) de la bobina.
- Núcleo. Parte fija por la que se cierra el flujo magnético producido por la bobina.
- Resorte. Es un muelle encargado de devolver los contactos a su posición de reposo una vez cesa la FA.

Funcionamiento del contactor
A los contactos principales se conectan al circuito que se quiere gobernar. Asegurando el establecimiento y cortes de las corrientes principales y según el número de vías de paso de corriente, será bipolar, tripolar, tetrapolar, etc. realizándose las maniobras simultáneamente en todas las vías.
Los contactos auxiliares son de dos clases abiertos y cerrados. Estos forman parte del circuito auxiliar del contactor y aseguran las autoalimentaciones , los mandos, enclavamientos de contactos y señalizaciones en los equipos de automatismo.
Cuando la bobina del contactor queda excitada por la circulación de la corriente, mueve el núcleo en su interior y arrastra los contactor principales y auxiliares, estableciendo a través de los polos el circuito entre la red y el receptor. Este arrastre o desplazamiento puede ser:
- Por rotación, pivote sobre su eje.
- Por traslación, deslizándose paralelamente a las partes fijas.
- Combinación de movimientos, rotación y traslación.
Cuando la bobina deja de ser alimentada, abre los contactos por efecto del resorte de presión de los polos y del resorte de retorno de la armadura móvil.
La bobina está concebida para resistir los choque mecánicos provocados por el cierre y la apertura de los contactos y los choques electromagnéticos debidos al paso de la corriente por sus espiras, con el fin de reducir los choques mecánicos la bobina o circuito magnético, a veces los dos se montan sobre amortiguadores.
Si se debe gobernar desde diferentes puntos, los pulsadores de marcha se conectan en paralelo y el de parada en serie.
Ventajas que ofrecen los contactores
- Posibilidad de abrir o cerrar grandes corrientes a través de un dispositivo de baja corriente (bobina del contactor).
- Elevado números de maniobras.
- Adecuados para servicio intermitente y continuo.
- Posibilidad de implementación de comandos remotos y/o automáticos.
- Son resistentes y confiables puesto que no contienen elementos internos delicados.
Estos relés cumplen con la funsión de protección del motor contra sobrecargas y van asociados a un contactor que es el que realiza la apretura del circuito de potencia. Puesto que protegen solamente contra sobre cargas, los relés térmicos deben complementarse con una protección contra cortocircuitos.
El relé de imagen termica simula, a través de la utilización de un bimetal, el calentamiento y el enfriamiento del motor protegido en base a su constante de tiempo, vigilando las temperaturas alcanzadas en comparación con la máxima admisible como función de la duración de la sobrecarga. La temperatura es obtenida de forma indirecta, a través de a medición de la corriente.
Adicionalmente, los relés térmicos pueden ser térmicos-diferenciales, agregando a la protección contra sobrecargas la protección contra desbalance de corrientes.
Los relés térmicos deben proteger el motor pero deben a su vez soportar la corriente de arranque durante el tiempo de arranque sin disparar.
Son dispositivos de protección contra cortocircuitos, de corte tripolar.
Los guardamotores magnéticos cumplen la función de protección cortocircuitos, cumpliendo adicionalmente la función de seccionamiento.
Los requisitos para que cumplan a función de protección contra cortocircuitos son básicamente una pronta detección de la corriente de defecto y una rápida apertura de los contactos. Esto conduce a que los guardamotores magnéticos sean aparatos limitadores.

El fusible, utilizado como el elemento componente de una salida a motor, solo debe actuar frente e cortocircuito. Es decir, las sobrecargas no deben producir la operación del fusible, por o cual deben emplearse el fusible de respaldo, llamado para baja tensión tipo aM.
La curva característica del fusible aM lo hace insensible a las sobrecargas, siendo diseñado el elemento fusible de este tipo de fusibles más resistente a la fatiga causada por los esfuersos de contracción y dilatación térmica causadas por las sobrecorrientes de los sucesivos arranques.
Son dispositivos que agrupan un mismo aparato las funciones de protección contra cortocircuitos y contra sobrecargas.
