Pasate por mi otro post:
GENERADORES
Dinamos y alternadores
El dinamo o alternador, es una de las partes más importantes de un aerogenerador, ya que su función es transformar la energía de rotación mecánica en energía eléctrica. Ambos tipos de generadores, se fundamentan en el movimiento relativo de una bobina y un campo magnético de forma que se produce corriente eléctrica.
El dinamo
Esta formado por tres partes fundamentales: la que gira llamada rotor o inducido, la que no gira, llamada estator o bobinas inductoras, y el colector.
En el dinamo, se produce corriente eléctrica en el inducido, por giro del mismo dentro del campo magnético creado por el estator. Esta corriente del campo magnético creado por estator. Esta corriente sale del inducido mediante unas escobillas que frotan sobre piezas de cobre aisladas eléctricamente entre sí (delgas) a las que van unidas las bobinas del inducido. El conjunto de delgas y escobillas, se llama colector.
Dinamo despiezado:
Dinamo cortado:
Los dinamos tienen tres bornes positivos (+), negativo o masa (-) y exitacion (Ex). la corriente generada sale entre los bornes positivo y negativo, y el borne de exitacion, va unido al principio de las bobinas inductoras del estator. La corriente, pasa por ellas, y sale por un hilo que generalmente va unido a masa ( aunque son raras, hay dinamos con excitación a la inversa, es decir por el negativo).
A medida que el rotor gira mas veloz, el dinamo produce mayor voltaje, y da lugar a mayor intensidad de corriente. Por ello el dinamo se controla mediante el regulador.
El regulador sirve para impedir que pase corriente de la bateria a el dinamo, y permitir cargar las baterías sin que se sobrecarguen, ya que una sobrecarga es perjudicial. Ademas permite que el dinamo genere corriente sin exceder de cierto tope, a pesar de que se aumente su velocidad. Asi se evitan desperfectos en el inducido por sobrecalentamiento del mismo.
El regulador se coloca entre el dinamo y las baterias. Un regulador normal tiene cuatro bornes: dinamo (DIN), excitación (EXC), bateria (BAT) y masa (sale del propio chasis del regulador):
Conviene colocar el regulador en el propio aerogenerador, porque así solo hay que bajar dos cables (+) y (-) a las baterías (pasando por el tablero de control). Si el regulador esta abajo, tendremos que bajar del aerogenerador los tres cables que salen de la dinamo, con el consiguiente aumento de pérdidas, fallos de contacto, etc.
Hay dos tipos de reguladores: mecánicos y electromecánicos. Los reguladores mecánicos mas usuales están formados por tres bobinas claramente visibles:
Son de izquierda a derecha el regulador de voltaje, el de intensidad y el disyuntor. El regulador de voltaje, controla el voltaje que da el inducido; si excede de un cierto valor (14 voltios en
los dinamos de 12 Volts por ejemplo), reduce o corta la corriente de excitación que alimenta las bobinas inductoras. Si l a distancia del aerogenerador a las baterías
es grande, hay pérdidas de voltaje por los cables, y tenes que dejar el regulador de tensión a más voltios (por ejemplo , 15 Volts en sistemas a 12 Volts) de lo contrario, la intensidad de carga será baja.
El regulador de intensidad, impide que el dinamo dé más amperios de los que puede, ya que se quemaría el inducido por sobrecalentamiento.
El disyuntor es un interruptor que se cierra cuando la corriente pasa del dinamo a las baterías, pero se abre cuando la dinamo va despacio o está parada, ya que entonces, gastaría corriente actuando como motor, y agotaría las baterías.
Estos tres componentes del regulador se ajustan graduando la tensión de cada muelle o lámina correspondiente. Normalmente esto se consigue doblando o desdoblando
ligeramente el apoyo de la lámina.
Antes de colocar el regulador en el aparato, hay que asegurarse de que los componentes del mismo funcionan a la perfección.
Se pueden conseguir dinamos (y reguladores) muy buenos de reciclaje. Es difícil dar normas fijas para elegir
un buen dinamo a ojo. Tenemos que procurar que sean lentas (es decir, que produzcan corriente a pocas rpm), y para esto sirve como referencia el diámetro de la dinamo , y el de la polea que lleva acoplada. Cuanto mayor diametro de dinamo, y de polea, mas lenta es, y cuanto más largo el "cilindro", mas potente. "Ande o no ande, dinamo grande" (un refran xD)
De todas formas, una buena limpieza (asegurar conexiones, aislamientos, reponer escobillas... ), la dejarán lista para comprobarla en el banco de pruebas de un taller eléctrico. Hay que comprobar todo perfectamente en un banco de pruebas, y asegurarse de que funciona a la perfección, antes de montarlo y subir todo al poste.
Un dinamo "lento", comienza a generar hacia las 500 rpm ( hay dinamos de gran diámetro mas lentos).
Hacete una tabla con las rpm y los amperimetros que produce. Es valioso para calcular las palas y diseñar tu aerogenerador.
Hay que tener en cuanta que un dinamo no da un voltaje determinado. en principio, da lo que le queremos sacar ( sin pasarse...). Por Ejemplo, un dinamos "de 24 volts" ya de por si es lento, puede utilizarse a 12 Volts (con un regulador de 12 Volts), y será todavia mas lento, y mas lento todavia su conectamos las bobinas inductoras en paralelo, ya que con el flujo magnetico original de el dinamo, vamos a sacarle 12 Volts en lugar de 24 Volts. Las posibilidades son enormes. Conforme te vayas metiendo en este tema, se te ocurrirán mas ideas.
También hay inducidos "industriales" o especiales, que permiten generar a el dinamo mas despacio, Sus bobinas tienen mas vueltas de hilo algo mas fino.
No intentes cambiar las bobinas inductoras por otras a no ser que estén estropeadas. Si pretendes aumentar el flujo magnetico inductor haciendo bobinas de mas espiras, tenes que poner hilo mas fino para que te entren en su lugar, de forma que al final, te aumenta la resistencia electrica de la bobina, disminuyendo la intensidad de la corriente de exitacion, y te quedarás con un flujo magnetico más o menos como tenias al principio. ( O sea trabajo al pedo). Ademas, el fabricante suele poner bobinas con las que las piezas polares van casi ya a saturacion magnética.
El alternador
En este tipo de generadores, el inducido es el estator, y el inductor es el rotor, a la inversa de los dinamos. Esto tiene la ventaja de que pueden someterse a mas rpm sin peligro, y tienen menos averias, ya que la corriente de exitacion que consume el rotor para crear el campo magnetico inductor ( unos 2 amperios) se trasmite al mismo mediante escobillas que frotan en dos anillos de cobre.
La corriente producida en el estator es alterna, y sale a traves de diodos (componentes que dejan pasar la corriente en un sentido, pero no en el opuesto). Asi se eliminan los problemas del colector del dinamo ( que sufre mayor desgaste), puesto que no existe en los alternadores.
Un alternador es mas seguro y liviano que un dinamo equivalente, pero también es mas caro. Es mas fácil encontrar dinamos de reciclaje que alternadores.
No intentes robobinar la bobina inductora dol rotor del alternador para que genere a menos rpm, porque todos los componen t es del eje salen perfectamente equilibrados de fabrica, y aunque es fácil desmantelar el rotor, volverlo a montar cinematicamente equilibrado es casi imposible.
El regulador de alternadorntiene un regulador de tension. no se necesita disyuntor puesto que lo sustituyen los diodos, ni regulador de intensidad, ya que al aumentar la velocidad de giro, aumenta la frecuencia de corriente, y debido a la autoinduccion del induccido, la intensidad tiene un maximo del que no se puede pasar. Sin embargo, suele llevar un interruptor de la corriente de exitacion.
En la instalacion de un alternador, pueden necesitarse acoplarun "dinamo" de bici, o si se emplea caja de cambios de moto, emplear el magneto ( ambos son alternadores de iman permanente), para conectar la exitacion de la bobina inductora (rotor).
La corrienet de el dinamo se rectifica con un puente de diodos, y se acopla un condensador electrolitico de 10 Volts y 1000 microfaradios. Esta corriente alimenta la bobina de un relé de 6 Volts, que cierra el circuito de exitacion cuando el alternador del generador esta a suficientes rpm para generar, y abre este circuito cuando va despacio o esta parado. Asi se evita un gasto inutil de baterias en periodos de calma.
Aunque los alternadores de los autos generan corriente con el motor en realenti ( y los dinamos no), esto se debe a que suelen llevar un poleín pequeño, y así multiplican las rpm del motor. Un alternador de auto suele comenzar a generar hacia las 1200 rpm. Hay alternadores para vehiclulos grandes que comienzan a cargar a las 700 rpm.
Hay una diferencia importante a tener en cuenta, entre dinamos y alternadores. Una vez que el dinamo comienza a cargar, cierto numero de revoluciones, en general, alcanza su maxima potencia antes de llegar al doble de velocidad.
Sin embargo, la intensidad de corriente producida por los alternadores, va creciendo poco a pcoo al aumentar sus revoluciones, y no se alcanza su maxima potencia hasta muy alta velocidad:
Regulador autoconstruido
El dinamo de un aerogenerador, trabaja a pocas revoluciones (500 a 1100 por ejemplo), mientras que en un vehiculo, se ve obligado a funcionar a velocidades muy diferentes ( 500 a 5000). Por ello, la regulación de el dinamo en el aerogenerador es mucho mas sencilla.
Tanto los reguladores electromecanicos, como los electronicos comerciales, efectuan una regulacion discontinua de la intensidad de excitación (Iex):
Esta discontinuidad hace disminuir el rendimiento de el dinamo y la carga de las baterias se produce en mediocres condiciones.
Podés construirte un regulador muy bueno y economico, sin partes moviles, con regulacion continua de la Iex según el siguiente esquema:
El diodo de silicio, de anodo base, debe poder soportar como minimo, el doble de intensidad maxima de el dinamos ( dinamo de 20 A, diodo de 40 A). el diodo debe sujetarse sobre una chapa de cobre de unos 5x8 cm para disipar el calor. Su minión es la de disyuntor: la corriente puede pasar de el dinamo a las baterias pero no a la inversa.
La bombilla o foco y el fusible en serie, entre el borne (+) y Exc del dinamo, tienen por mision mantener practicamente constante la Tex, aunque aumente el voltaje entre los bornes (+) y (-) del dinamo. La Iex queda regulada mediante la resistencia -variable- de la bombilla. Si aumenta Iex, el filamento se calienta y aumenta su resistencia, con lo que Iex se mantiene practicamente constante.
La siguiente tabla, relaciona la resistencia del filamento de "alta" de una lampara de auto de 127 en funcion de la intensidad y voltaje q que se somete:
Podes conocer cuantas lamparas debes colocar, sabiendo el regimen de revoluciones maximo de l dinamo en el aerogenerador.
A esta velocidad, el dinamo debe dar la intensidad nominal. Si no la alcanza, debes poner mas lamparas en paralelo. Por ejemplo en dinamos de 12 V, alcanza con una lampara de auto cuando la intensidad de excitacion es de unos 1,5 A, y dos de ellas cuando dicha intensidad es de unos 3A.
El fusible está por si existe alguna discontinuidad en el recorrido de la corrienete desde el aerogenerador a las baterias. el fusible debe fundirse cuando la Iex alcance un valor doble del normal. Es decir, si la Iex es de 2,5 A, debe fundirse con 5 A ( podes construir fusibles de 5 A con hilo de cobre de 0,1mm de diametro).
De esta forma se evitará que se qumen las bobinas inductoras en caso de falla.
Tenes que controlar la carga de las baterias con un densimetro y desorientar el aerogenerador cuando ya este completamente cargadas.
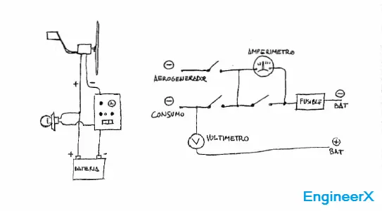
EL TABLERO DE CONTROL
Descripción de los componentes:
1. Boton interruptor del aerogenerador: Permite desconectar als baterias cuando se necesite.
2. Boton interruptor de consumo: permite desconectar la instalacion de consumo cuando se requiere.
3. Indicador de voltaje de las baterias: si la tension de las baterias es superior a 11,5 volts, indicara luz verde, es decir, podemos consumir corriente. Si no se enciende con el boton 2 conectado, las baterias estan muy descargadas, y no debemos consumir corriente para evitar que se sulfaten, o puede estar fundido el fusible. Cuanto mayor sea el voltaje de las baterias mas intensa es la luz.
Construir un indicador de voltaje
4. Fusible: sirve para cortar la corriente de las baterias cuando la intensidad aumenta a valores anormalmente grandes (cortocircuito)
5. Boton interruptor del amperimetro: desconectado, permite ller la intensidad de carga o descarga de baterias y conectado, cancela el amperimetro para eliminar las fracciones de voltio que se pierden en éste.
6. Amperimetro: permite determinar la intensidad de carga con el boton 5 desconectado.
BATERIAS
Voy a dejar el post hasta aca, depues lo sigo completando y corrigiendo.
CONTINUO EL POST DESPUES...
Saludos EngineerX.
GENERADORES
Dinamos y alternadores
El dinamo o alternador, es una de las partes más importantes de un aerogenerador, ya que su función es transformar la energía de rotación mecánica en energía eléctrica. Ambos tipos de generadores, se fundamentan en el movimiento relativo de una bobina y un campo magnético de forma que se produce corriente eléctrica.
El dinamo
Esta formado por tres partes fundamentales: la que gira llamada rotor o inducido, la que no gira, llamada estator o bobinas inductoras, y el colector.
En el dinamo, se produce corriente eléctrica en el inducido, por giro del mismo dentro del campo magnético creado por el estator. Esta corriente del campo magnético creado por estator. Esta corriente sale del inducido mediante unas escobillas que frotan sobre piezas de cobre aisladas eléctricamente entre sí (delgas) a las que van unidas las bobinas del inducido. El conjunto de delgas y escobillas, se llama colector.
Dinamo despiezado:
Dinamo cortado:
Los dinamos tienen tres bornes positivos (+), negativo o masa (-) y exitacion (Ex). la corriente generada sale entre los bornes positivo y negativo, y el borne de exitacion, va unido al principio de las bobinas inductoras del estator. La corriente, pasa por ellas, y sale por un hilo que generalmente va unido a masa ( aunque son raras, hay dinamos con excitación a la inversa, es decir por el negativo).
A medida que el rotor gira mas veloz, el dinamo produce mayor voltaje, y da lugar a mayor intensidad de corriente. Por ello el dinamo se controla mediante el regulador.
El regulador sirve para impedir que pase corriente de la bateria a el dinamo, y permitir cargar las baterías sin que se sobrecarguen, ya que una sobrecarga es perjudicial. Ademas permite que el dinamo genere corriente sin exceder de cierto tope, a pesar de que se aumente su velocidad. Asi se evitan desperfectos en el inducido por sobrecalentamiento del mismo.
El regulador se coloca entre el dinamo y las baterias. Un regulador normal tiene cuatro bornes: dinamo (DIN), excitación (EXC), bateria (BAT) y masa (sale del propio chasis del regulador):
Conviene colocar el regulador en el propio aerogenerador, porque así solo hay que bajar dos cables (+) y (-) a las baterías (pasando por el tablero de control). Si el regulador esta abajo, tendremos que bajar del aerogenerador los tres cables que salen de la dinamo, con el consiguiente aumento de pérdidas, fallos de contacto, etc.
Hay dos tipos de reguladores: mecánicos y electromecánicos. Los reguladores mecánicos mas usuales están formados por tres bobinas claramente visibles:
Son de izquierda a derecha el regulador de voltaje, el de intensidad y el disyuntor. El regulador de voltaje, controla el voltaje que da el inducido; si excede de un cierto valor (14 voltios en
los dinamos de 12 Volts por ejemplo), reduce o corta la corriente de excitación que alimenta las bobinas inductoras. Si l a distancia del aerogenerador a las baterías
es grande, hay pérdidas de voltaje por los cables, y tenes que dejar el regulador de tensión a más voltios (por ejemplo , 15 Volts en sistemas a 12 Volts) de lo contrario, la intensidad de carga será baja.
El regulador de intensidad, impide que el dinamo dé más amperios de los que puede, ya que se quemaría el inducido por sobrecalentamiento.
El disyuntor es un interruptor que se cierra cuando la corriente pasa del dinamo a las baterías, pero se abre cuando la dinamo va despacio o está parada, ya que entonces, gastaría corriente actuando como motor, y agotaría las baterías.
Estos tres componentes del regulador se ajustan graduando la tensión de cada muelle o lámina correspondiente. Normalmente esto se consigue doblando o desdoblando
ligeramente el apoyo de la lámina.
Antes de colocar el regulador en el aparato, hay que asegurarse de que los componentes del mismo funcionan a la perfección.
Se pueden conseguir dinamos (y reguladores) muy buenos de reciclaje. Es difícil dar normas fijas para elegir
un buen dinamo a ojo. Tenemos que procurar que sean lentas (es decir, que produzcan corriente a pocas rpm), y para esto sirve como referencia el diámetro de la dinamo , y el de la polea que lleva acoplada. Cuanto mayor diametro de dinamo, y de polea, mas lenta es, y cuanto más largo el "cilindro", mas potente. "Ande o no ande, dinamo grande" (un refran xD)
De todas formas, una buena limpieza (asegurar conexiones, aislamientos, reponer escobillas... ), la dejarán lista para comprobarla en el banco de pruebas de un taller eléctrico. Hay que comprobar todo perfectamente en un banco de pruebas, y asegurarse de que funciona a la perfección, antes de montarlo y subir todo al poste.
Un dinamo "lento", comienza a generar hacia las 500 rpm ( hay dinamos de gran diámetro mas lentos).
Hacete una tabla con las rpm y los amperimetros que produce. Es valioso para calcular las palas y diseñar tu aerogenerador.
Hay que tener en cuanta que un dinamo no da un voltaje determinado. en principio, da lo que le queremos sacar ( sin pasarse...). Por Ejemplo, un dinamos "de 24 volts" ya de por si es lento, puede utilizarse a 12 Volts (con un regulador de 12 Volts), y será todavia mas lento, y mas lento todavia su conectamos las bobinas inductoras en paralelo, ya que con el flujo magnetico original de el dinamo, vamos a sacarle 12 Volts en lugar de 24 Volts. Las posibilidades son enormes. Conforme te vayas metiendo en este tema, se te ocurrirán mas ideas.
También hay inducidos "industriales" o especiales, que permiten generar a el dinamo mas despacio, Sus bobinas tienen mas vueltas de hilo algo mas fino.
No intentes cambiar las bobinas inductoras por otras a no ser que estén estropeadas. Si pretendes aumentar el flujo magnetico inductor haciendo bobinas de mas espiras, tenes que poner hilo mas fino para que te entren en su lugar, de forma que al final, te aumenta la resistencia electrica de la bobina, disminuyendo la intensidad de la corriente de exitacion, y te quedarás con un flujo magnetico más o menos como tenias al principio. ( O sea trabajo al pedo). Ademas, el fabricante suele poner bobinas con las que las piezas polares van casi ya a saturacion magnética.
El alternador
En este tipo de generadores, el inducido es el estator, y el inductor es el rotor, a la inversa de los dinamos. Esto tiene la ventaja de que pueden someterse a mas rpm sin peligro, y tienen menos averias, ya que la corriente de exitacion que consume el rotor para crear el campo magnetico inductor ( unos 2 amperios) se trasmite al mismo mediante escobillas que frotan en dos anillos de cobre.
La corriente producida en el estator es alterna, y sale a traves de diodos (componentes que dejan pasar la corriente en un sentido, pero no en el opuesto). Asi se eliminan los problemas del colector del dinamo ( que sufre mayor desgaste), puesto que no existe en los alternadores.
Un alternador es mas seguro y liviano que un dinamo equivalente, pero también es mas caro. Es mas fácil encontrar dinamos de reciclaje que alternadores.
No intentes robobinar la bobina inductora dol rotor del alternador para que genere a menos rpm, porque todos los componen t es del eje salen perfectamente equilibrados de fabrica, y aunque es fácil desmantelar el rotor, volverlo a montar cinematicamente equilibrado es casi imposible.
El regulador de alternadorntiene un regulador de tension. no se necesita disyuntor puesto que lo sustituyen los diodos, ni regulador de intensidad, ya que al aumentar la velocidad de giro, aumenta la frecuencia de corriente, y debido a la autoinduccion del induccido, la intensidad tiene un maximo del que no se puede pasar. Sin embargo, suele llevar un interruptor de la corriente de exitacion.
En la instalacion de un alternador, pueden necesitarse acoplarun "dinamo" de bici, o si se emplea caja de cambios de moto, emplear el magneto ( ambos son alternadores de iman permanente), para conectar la exitacion de la bobina inductora (rotor).
La corrienet de el dinamo se rectifica con un puente de diodos, y se acopla un condensador electrolitico de 10 Volts y 1000 microfaradios. Esta corriente alimenta la bobina de un relé de 6 Volts, que cierra el circuito de exitacion cuando el alternador del generador esta a suficientes rpm para generar, y abre este circuito cuando va despacio o esta parado. Asi se evita un gasto inutil de baterias en periodos de calma.
Aunque los alternadores de los autos generan corriente con el motor en realenti ( y los dinamos no), esto se debe a que suelen llevar un poleín pequeño, y así multiplican las rpm del motor. Un alternador de auto suele comenzar a generar hacia las 1200 rpm. Hay alternadores para vehiclulos grandes que comienzan a cargar a las 700 rpm.
Hay una diferencia importante a tener en cuenta, entre dinamos y alternadores. Una vez que el dinamo comienza a cargar, cierto numero de revoluciones, en general, alcanza su maxima potencia antes de llegar al doble de velocidad.
Sin embargo, la intensidad de corriente producida por los alternadores, va creciendo poco a pcoo al aumentar sus revoluciones, y no se alcanza su maxima potencia hasta muy alta velocidad:
Regulador autoconstruido
El dinamo de un aerogenerador, trabaja a pocas revoluciones (500 a 1100 por ejemplo), mientras que en un vehiculo, se ve obligado a funcionar a velocidades muy diferentes ( 500 a 5000). Por ello, la regulación de el dinamo en el aerogenerador es mucho mas sencilla.
Tanto los reguladores electromecanicos, como los electronicos comerciales, efectuan una regulacion discontinua de la intensidad de excitación (Iex):
Esta discontinuidad hace disminuir el rendimiento de el dinamo y la carga de las baterias se produce en mediocres condiciones.
Podés construirte un regulador muy bueno y economico, sin partes moviles, con regulacion continua de la Iex según el siguiente esquema:
El diodo de silicio, de anodo base, debe poder soportar como minimo, el doble de intensidad maxima de el dinamos ( dinamo de 20 A, diodo de 40 A). el diodo debe sujetarse sobre una chapa de cobre de unos 5x8 cm para disipar el calor. Su minión es la de disyuntor: la corriente puede pasar de el dinamo a las baterias pero no a la inversa.
La bombilla o foco y el fusible en serie, entre el borne (+) y Exc del dinamo, tienen por mision mantener practicamente constante la Tex, aunque aumente el voltaje entre los bornes (+) y (-) del dinamo. La Iex queda regulada mediante la resistencia -variable- de la bombilla. Si aumenta Iex, el filamento se calienta y aumenta su resistencia, con lo que Iex se mantiene practicamente constante.
La siguiente tabla, relaciona la resistencia del filamento de "alta" de una lampara de auto de 127 en funcion de la intensidad y voltaje q que se somete:
Podes conocer cuantas lamparas debes colocar, sabiendo el regimen de revoluciones maximo de l dinamo en el aerogenerador.
A esta velocidad, el dinamo debe dar la intensidad nominal. Si no la alcanza, debes poner mas lamparas en paralelo. Por ejemplo en dinamos de 12 V, alcanza con una lampara de auto cuando la intensidad de excitacion es de unos 1,5 A, y dos de ellas cuando dicha intensidad es de unos 3A.
El fusible está por si existe alguna discontinuidad en el recorrido de la corrienete desde el aerogenerador a las baterias. el fusible debe fundirse cuando la Iex alcance un valor doble del normal. Es decir, si la Iex es de 2,5 A, debe fundirse con 5 A ( podes construir fusibles de 5 A con hilo de cobre de 0,1mm de diametro).
De esta forma se evitará que se qumen las bobinas inductoras en caso de falla.
Tenes que controlar la carga de las baterias con un densimetro y desorientar el aerogenerador cuando ya este completamente cargadas.
EL TABLERO DE CONTROL
Descripción de los componentes:
1. Boton interruptor del aerogenerador: Permite desconectar als baterias cuando se necesite.
2. Boton interruptor de consumo: permite desconectar la instalacion de consumo cuando se requiere.
3. Indicador de voltaje de las baterias: si la tension de las baterias es superior a 11,5 volts, indicara luz verde, es decir, podemos consumir corriente. Si no se enciende con el boton 2 conectado, las baterias estan muy descargadas, y no debemos consumir corriente para evitar que se sulfaten, o puede estar fundido el fusible. Cuanto mayor sea el voltaje de las baterias mas intensa es la luz.
Construir un indicador de voltaje
4. Fusible: sirve para cortar la corriente de las baterias cuando la intensidad aumenta a valores anormalmente grandes (cortocircuito)
5. Boton interruptor del amperimetro: desconectado, permite ller la intensidad de carga o descarga de baterias y conectado, cancela el amperimetro para eliminar las fracciones de voltio que se pierden en éste.
6. Amperimetro: permite determinar la intensidad de carga con el boton 5 desconectado.
BATERIAS
Voy a dejar el post hasta aca, depues lo sigo completando y corrigiendo.
CONTINUO EL POST DESPUES...
Saludos EngineerX.