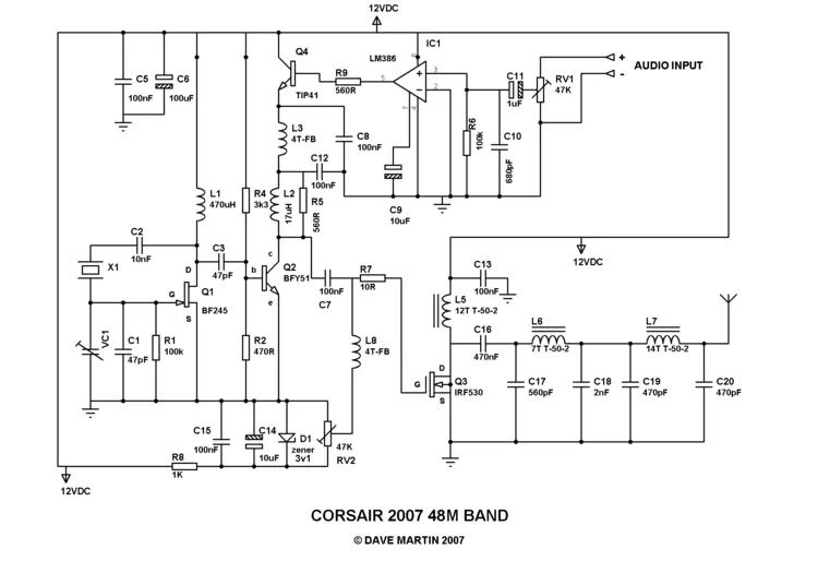
AQUI LES DEJO UN TRANSMISOR DE AM, EL CUAL PODERMOS HACERLO FUNCIONAR EN TODA LA BANDA DE ONDA CORTA (SW) QUE VA HASTA LOS 30 MHZ.
NOTA: ESTE TIPO DE TRANSMISIONES ESTA REGIDA POR LAS LEYES DE COMUNICACION DE CADA PAIS.....
ESTE PROYECTO ES DE ESTA PAGINA: http://freeradiotx.blogspot.com/2009/06/corsair-transmitter-by-dave-martin.html
EN MI CASO ESTA TRABAJANDO EN LA 26.690 Mhz (AM)
TRABAJA POR MEDIO DE UN OSCILADOR A CRISTAL MUY ESTABLE, UN MEZCLADOR DE AUDIO Y UNA SALIDA DE 10 WATTS A MOSFET... EN MI CASO UTILIZE EL IRFZ44N EN VES DEL IRF510.
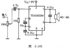
UTILIZE ESTE MODULADOR EN VEZ DEL LM386:
ESTA ES LA TABLA DE VALORES PARA LAS FRECUENCIAS EN QUE PUEDE FUNCIONAR EL TRANSMISOR, AUNQUE SE PUEDE LLEVAR HASTA 30 MHZ, EN LA TABLA SOLO ESTAN LOS CALCULOS HASTA 9.3 MHZ:
EN VEZ DE EL TRANSISTOR BFY51 UTILIZE EL C456:
http://www.nteinc.com/specs/100to199/pdf/nte195a.pdf
NOTA:
DE ACUERDO A LA FRECUENCIA EN QUE SE DESEA TRABAJAR, HAY QUE HACER LOS AJUSTES EN EL FILTRO DE SALIDA DE R.F.
NOTA: ESTE TIPO DE TRANSMISIONES ESTA REGIDA POR LAS LEYES DE COMUNICACION DE CADA PAIS.....
ESTE PROYECTO ES DE ESTA PAGINA: http://freeradiotx.blogspot.com/2009/06/corsair-transmitter-by-dave-martin.html
EN MI CASO ESTA TRABAJANDO EN LA 26.690 Mhz (AM)
TRABAJA POR MEDIO DE UN OSCILADOR A CRISTAL MUY ESTABLE, UN MEZCLADOR DE AUDIO Y UNA SALIDA DE 10 WATTS A MOSFET... EN MI CASO UTILIZE EL IRFZ44N EN VES DEL IRF510.
UTILIZE ESTE MODULADOR EN VEZ DEL LM386:
ESTA ES LA TABLA DE VALORES PARA LAS FRECUENCIAS EN QUE PUEDE FUNCIONAR EL TRANSMISOR, AUNQUE SE PUEDE LLEVAR HASTA 30 MHZ, EN LA TABLA SOLO ESTAN LOS CALCULOS HASTA 9.3 MHZ:
EN VEZ DE EL TRANSISTOR BFY51 UTILIZE EL C456:
http://www.nteinc.com/specs/100to199/pdf/nte195a.pdf
NOTA:
DE ACUERDO A LA FRECUENCIA EN QUE SE DESEA TRABAJAR, HAY QUE HACER LOS AJUSTES EN EL FILTRO DE SALIDA DE R.F.