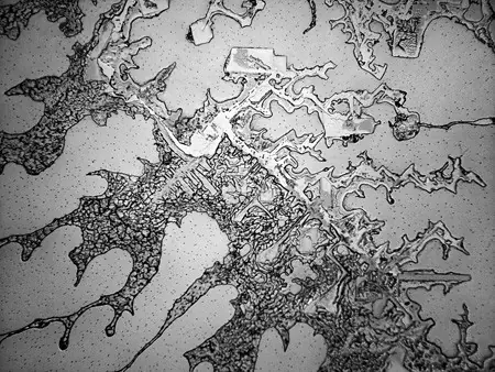
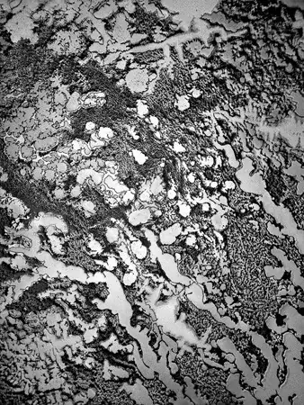
Un día, Rose -Lynn Fisher preguntó si sus lágrimas de dolor se vería diferente en comparación con sus lágrimas de alegría, así que ella comenzó a explorarlos de cerca con un microscopio.
Estudió 100 lágrimas diferentes y encontró que las lágrimas basales (las que nuestro cuerpo produce para lubricar los ojos ) son muy distintas de las lágrimas que se producen cuando estamos picando cebollas. Las lágrimas que se producen a partir de la carcajada ni siquiera están cerca de las lágrimas de dolor . Como una gota de agua del océano cada diminuta lágrima lleva un microcosmos de la experiencia humana . Su proyecto se llama La topografía de las Lágrimas.
Las lágrimas de la risa hasta el llanto
Lágrimas de cambio
Lágrimas de dolor
Las lágrimas de cebolla
Joseph Stromberg de Collage de las Artes y las Ciencias de la Universidad Smithsonian explicó que hay tres grandes tipos de lágrimas : basales, reflejas y psíquicas ( desencadenados por emociones) . Todas las lágrimas contienen sustancias orgánicas , incluidos los aceites , anticuerpos, y enzimas y se suspenden en agua salada . Los diferentes tipos de lágrimas tienen moléculas distintas. Las lágrimas emocionales tienen hormonas a base de proteínas , incluyendo la leucina encefalina neurotransmisora , que es un analgésico natural que se libera cuando estamos estresados . Además, las lágrimas vistos bajo el microscopio se cristalizan la sal y pueden dar lugar a diferentes formas. Así que hasta lágrimas psíquicas con la misma composición química pueden ser muy diferentes. Fisher dijo: " Hay tantas variables - Ahí está la química, la viscosidad , el ajuste , la tasa de evaporación y los ajustes del microscopio. "
lágrimas basales
Lágrimas de reencuentro intemporal
Lágrimas de fin y comienzo
Lágrimas de impulso , redirigidas
Lágrimas de liberación
Lágrimas de posibilidad y esperanza
Lágrimas de alegría en un momento liminal
Lágrimas de recuerdo
Como copos de nieve y las huellas dactilares , no todas las lágrimas son iguales. No puedo creer la diferencia entre todos estos. Si has encontrado interesante este post , compartelo con los demás .
Estudió 100 lágrimas diferentes y encontró que las lágrimas basales (las que nuestro cuerpo produce para lubricar los ojos ) son muy distintas de las lágrimas que se producen cuando estamos picando cebollas. Las lágrimas que se producen a partir de la carcajada ni siquiera están cerca de las lágrimas de dolor . Como una gota de agua del océano cada diminuta lágrima lleva un microcosmos de la experiencia humana . Su proyecto se llama La topografía de las Lágrimas.
Las lágrimas de la risa hasta el llanto
Lágrimas de cambio
Lágrimas de dolor
Las lágrimas de cebolla
Joseph Stromberg de Collage de las Artes y las Ciencias de la Universidad Smithsonian explicó que hay tres grandes tipos de lágrimas : basales, reflejas y psíquicas ( desencadenados por emociones) . Todas las lágrimas contienen sustancias orgánicas , incluidos los aceites , anticuerpos, y enzimas y se suspenden en agua salada . Los diferentes tipos de lágrimas tienen moléculas distintas. Las lágrimas emocionales tienen hormonas a base de proteínas , incluyendo la leucina encefalina neurotransmisora , que es un analgésico natural que se libera cuando estamos estresados . Además, las lágrimas vistos bajo el microscopio se cristalizan la sal y pueden dar lugar a diferentes formas. Así que hasta lágrimas psíquicas con la misma composición química pueden ser muy diferentes. Fisher dijo: " Hay tantas variables - Ahí está la química, la viscosidad , el ajuste , la tasa de evaporación y los ajustes del microscopio. "
lágrimas basales
Lágrimas de reencuentro intemporal
Lágrimas de fin y comienzo
Lágrimas de impulso , redirigidas
Lágrimas de liberación
Lágrimas de posibilidad y esperanza
Lágrimas de alegría en un momento liminal
Lágrimas de recuerdo
Como copos de nieve y las huellas dactilares , no todas las lágrimas son iguales. No puedo creer la diferencia entre todos estos. Si has encontrado interesante este post , compartelo con los demás .