Bienvenidos a este Nuevo post 
hoy les traigo el TORNO!!
Como este post es laargo y tal vez aburrido les dejo musiquita :B
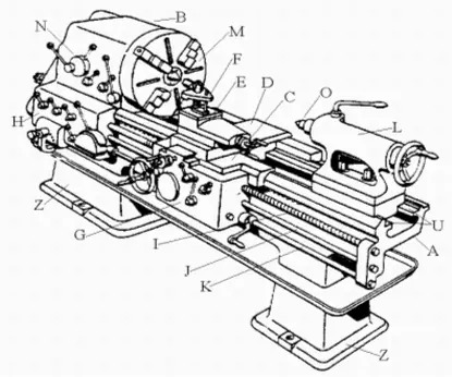
Primero lo primero Las partes del torno
M: Plato de mordazas
E:Torre porta herramientas
D: Charriot transversal
G: Charriot longitudinal
J: Bancada
I: Tornillo Patron
L:Cabezal Movil
O: Contra punta
B:Caja norton (esta almacena engranajes que le dan velocidad y potencia al torno)
(Side note: Rescate las letras mas importantes las demas partes no son necesarias las mencionadas son las mas importantes)
El torno es una maquina industrial de gran valor, existen varias clases de tornos las 4 mas conocidas son:
Torno paralelo Prismatico: Es ... basicamente para cilindrar, consta de algunos mecanismos semiautomaticos, se le llama asi por la forma y disposicion de la bancada.(el mas comun y barato
)
Torno Revolver (se como el arma el mas facil de acordar
): Consta de un cabezal movil que posee una torre para colocar varias herramientas
Torno Automatico: Fabrica piezas en serie por ejemplo un tornillo , labra la cabeza y la rosca , corta la pieza al tamaño deceado y avanza la abarra para repetir la operacion.
Torno Piloto: Reproduce copias. Es automatico uno coloca lo que decea hacer en la computadora del torno y lo reproduce, normalmente se utiliza un programa llamado Autocad
<No hay foto porque si pones torno piloto te sale cualquier cosa hasta modelos xD>
Tipos de platos y uso de los mismos
Los platos son practicamente para sujetar lo que se decea trabajar en el torno , ejemplo:
Plato de cuatro mordazas independientes , cada barra del torno se cierra independientemente y se debe ajustar 1 por 1
Plato de cuatro mordazas autocentrantes: Lo que significa que con ajustar un solo lugar las cuatro mordazas se cierran solas y centran la pieza sin demorar mucho trabajo
Plato de tres mordazas auto centrantes: Ocurre lo mismo que en el de cuatro la diferencia es que en este hay 3 mordazas y en el otro 4
Cabezal Fijo: Es un conjunto de organos dispuestos de tal manera que permiten fijar una pieza y imprimirle un movimiento de rotacion para que peuda ser trabajada, la velocidad depende del material a trabajar como acero , fundicion, laton , etc y del mayor o menor diamtero de la pieza, porque " A mayor diametro corresponde menor velocidad " y viceversa . El mecanismo del cabezal fijo permite obtener tantas velocidades directas como poleas tenga
(Side note: un torno puede tener o Cabezal fijo que trabaja con poleas o una caja Norton que posee engranajes )
Caracteristicas Principales de los tornos paralelos Prismaticos:
1_Distancia entre puntas: Es el mayor diametro de la pieza que se puede tornear entre puntas
2_Volteo sobre bancada: Es el mayor diametro de la pieza que se puede tornear entre puntas
3_ Volteo sobre el escote: Es el mayor diametro de una pieza de poca longitud sujeta por el plato de mordazas, la maxima longitud de la pieza a tornear depende del ancho del escote del torno
(Side note: 1y 2 son iguales , no me equiboque)
Colocacion de la Herramienta: La punta de la herramienta debe coincidir con el centro de la pieza para lograr este cometido se hara coincidir la punta con la contrapunta
"Para evitar vibraciones de la herramienta que produce superficies defincientes y el peligro de la rotura de la herramienta esta debe asegurarse de tal modo que la parte saliente del porta herramienta sea lo mas corta posible"
( Side Note: Se le llama herramienta a un rectangulo de un material extremadamente duro que al tocar el objeto que estamos torneando que esta girando a grandes revoluciones lo perfore dandole conicidad o cualquier otro acabado deceado)
En el torno paralelo prismatico se pueden hacer 3 operaciones
Cilindrado: La herramienta se desplaza paralela al eje longitudinal de la pieza rebajando de esta manera su diametro
Frenteado: La herramienta se desplaza en forma transversal o perpendicular al eje longitudinal de la pieza.
y por ultimo Conicidad: La herramienta se desplaza en forma longitudinal a la pieza con el angulo requerido. Es igual que el cilindrado solo que se le da un angulo a la pieza asi se forma el cono en el material que se esta trabajando
Y por ultimo pero no menos importante una de las piezas principales del torno...
El Cabezal movil : Es la parte del torno de desplazable sobre la bancada y opuesta al cabezal fijo. La contrapunta esta situada a la misma altura del centro del plato de mordazas.
Cumple las siguientes funciones:
Servir de soporte de la contrapunta destinada a apoyar uno de los extremos de la pieza a tornear
Fijar el portabrocas (mandril) de espiga conica para agujerear con broca en el torno
Desplazar lateralmente la contrapunta para tornear piezas conicas.
Sirve de soporte directo de elementos de espiga Conica como por ejemplo brocas, escariadores y machos (esa
)
y eso es todo lo que deben saber del torno T! nos vemos en la proxima !

hoy les traigo el TORNO!!
Como este post es laargo y tal vez aburrido les dejo musiquita :B
Primero lo primero Las partes del torno

M: Plato de mordazas
E:Torre porta herramientas
D: Charriot transversal
G: Charriot longitudinal
J: Bancada
I: Tornillo Patron
L:Cabezal Movil
O: Contra punta
B:Caja norton (esta almacena engranajes que le dan velocidad y potencia al torno)
(Side note: Rescate las letras mas importantes las demas partes no son necesarias las mencionadas son las mas importantes)
El torno es una maquina industrial de gran valor, existen varias clases de tornos las 4 mas conocidas son:
Torno paralelo Prismatico: Es ... basicamente para cilindrar, consta de algunos mecanismos semiautomaticos, se le llama asi por la forma y disposicion de la bancada.(el mas comun y barato

)
Torno Revolver (se como el arma el mas facil de acordar

): Consta de un cabezal movil que posee una torre para colocar varias herramientas
Torno Automatico: Fabrica piezas en serie por ejemplo un tornillo , labra la cabeza y la rosca , corta la pieza al tamaño deceado y avanza la abarra para repetir la operacion.
Torno Piloto: Reproduce copias. Es automatico uno coloca lo que decea hacer en la computadora del torno y lo reproduce, normalmente se utiliza un programa llamado Autocad
<No hay foto porque si pones torno piloto te sale cualquier cosa hasta modelos xD>
Tipos de platos y uso de los mismos
Los platos son practicamente para sujetar lo que se decea trabajar en el torno , ejemplo:
Plato de cuatro mordazas independientes , cada barra del torno se cierra independientemente y se debe ajustar 1 por 1
Plato de cuatro mordazas autocentrantes: Lo que significa que con ajustar un solo lugar las cuatro mordazas se cierran solas y centran la pieza sin demorar mucho trabajo
Plato de tres mordazas auto centrantes: Ocurre lo mismo que en el de cuatro la diferencia es que en este hay 3 mordazas y en el otro 4

Cabezal Fijo: Es un conjunto de organos dispuestos de tal manera que permiten fijar una pieza y imprimirle un movimiento de rotacion para que peuda ser trabajada, la velocidad depende del material a trabajar como acero , fundicion, laton , etc y del mayor o menor diamtero de la pieza, porque " A mayor diametro corresponde menor velocidad " y viceversa . El mecanismo del cabezal fijo permite obtener tantas velocidades directas como poleas tenga
(Side note: un torno puede tener o Cabezal fijo que trabaja con poleas o una caja Norton que posee engranajes )
Caracteristicas Principales de los tornos paralelos Prismaticos:
1_Distancia entre puntas: Es el mayor diametro de la pieza que se puede tornear entre puntas
2_Volteo sobre bancada: Es el mayor diametro de la pieza que se puede tornear entre puntas
3_ Volteo sobre el escote: Es el mayor diametro de una pieza de poca longitud sujeta por el plato de mordazas, la maxima longitud de la pieza a tornear depende del ancho del escote del torno
(Side note: 1y 2 son iguales , no me equiboque)
Colocacion de la Herramienta: La punta de la herramienta debe coincidir con el centro de la pieza para lograr este cometido se hara coincidir la punta con la contrapunta
"Para evitar vibraciones de la herramienta que produce superficies defincientes y el peligro de la rotura de la herramienta esta debe asegurarse de tal modo que la parte saliente del porta herramienta sea lo mas corta posible"
( Side Note: Se le llama herramienta a un rectangulo de un material extremadamente duro que al tocar el objeto que estamos torneando que esta girando a grandes revoluciones lo perfore dandole conicidad o cualquier otro acabado deceado)
En el torno paralelo prismatico se pueden hacer 3 operaciones
Cilindrado: La herramienta se desplaza paralela al eje longitudinal de la pieza rebajando de esta manera su diametro
Frenteado: La herramienta se desplaza en forma transversal o perpendicular al eje longitudinal de la pieza.
y por ultimo Conicidad: La herramienta se desplaza en forma longitudinal a la pieza con el angulo requerido. Es igual que el cilindrado solo que se le da un angulo a la pieza asi se forma el cono en el material que se esta trabajando

Y por ultimo pero no menos importante una de las piezas principales del torno...
El Cabezal movil : Es la parte del torno de desplazable sobre la bancada y opuesta al cabezal fijo. La contrapunta esta situada a la misma altura del centro del plato de mordazas.
Cumple las siguientes funciones:
Servir de soporte de la contrapunta destinada a apoyar uno de los extremos de la pieza a tornear
Fijar el portabrocas (mandril) de espiga conica para agujerear con broca en el torno
Desplazar lateralmente la contrapunta para tornear piezas conicas.
Sirve de soporte directo de elementos de espiga Conica como por ejemplo brocas, escariadores y machos (esa

)
y eso es todo lo que deben saber del torno T! nos vemos en la proxima !
