
Hola gente de Taringa. Antes de construir este amplificador híbrido para auriculares estaba convencido que un proyecto de audio con válvulas fuese un trabajo difícil de hacer. No solo por la dificultad de conseguir las válvulas, sino también por los transformadores y por los otros componentes poco comunes que generalmente se necesitan. A estos inconvenientes se sumaba la “incomoda” alta tensión necesaria para hacer funcionar estos equipos. Sin embargo, el proyecto que les presento, resuelve todos estos problemas y por lo tanto es ideal para hacer una primer experiencia en este campo.

El amplificador está basado en el proyecto de Rogers Gomez DIY 12AU7 Tube / IRF510 MOSFET Headphone Amplifier. Usa una sola válvula bastante económica, la 12AU7 (conocida también como ECC82) que se encuentra con relativa facilidad en los negocios o en internet (producida en China, que se esperaban!!), no usa transformador de salida audio y por último, y no menos importante, funciona con 12V. En realidad, en Internet pueden encontrar muchas versiones de este proyecto y desde un punto de vista circuital, no he introducido modificaciones importantes.

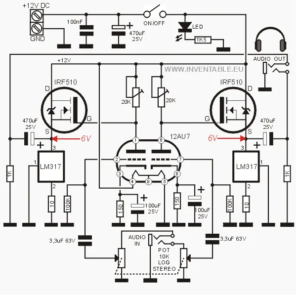
En realidad este amplificador es un híbrido porque la etapa de potencia está hecha con un MOSFET mientras que la válvula, un doble triodo, amplifica la señal de entrada. De cualquier manera, la presencia de la válvula en el camino del audio, produciría ese efecto “valvular” sobre el sonido, tan apreciado por los entendidos. Como yo no soy uno de ellos, no puedo dar una opinión al respecto pero como humilde oyente musical les digo que el sonido es bastante agradable y con una potencia suficiente para un par de auriculares.

El amplificador es estéreo, por lo tanto el circuito se repite para cada canal a excepción de la válvula 12AU7 que por ser doble se usa en ambos canales. Está compuesto por dos etapas, la primera en configuración cátodo común con ganancia en tensión. La segunda etapa es un seguidor de fuente (source follower) con MOSFET y con salida en clase A. Los amplificadores de clase A tienen una baja distorsión por cruce (crossover) y su rendimiento (es decir, la potencia de salida respecto a la potencia consumida) es bajo, alrededor del 25%. El resto de la potencia se disipa en forma de calor. Por este motivo, son generalmente usados con bajas potencias.
Respecto a la versión original, el circuito impreso de mi amplificador (lo pueden bajar en el blog INVENTABLE.EU) es bastante distinto. Este permite de montar “a bordo” el control de volumen, la entrada, la salida y el interruptor de encendido. De esta forma, el sistema es realmente compacto, sin cables y no necesita de una “caja” que lo contenga como pueden ver en las fotografías.

El proyecto del circuito impreso lo hice “a medida” una vez que dispuse de todos los componentes necesarios. El negocio donde he comprado los componentes tenía un potenciómetro estéreo no muy común (contactos en línea con separación de 2 mm en lugar de 2,54 mm) por lo tanto si deciden construirlo y no consiguen este modelo pueden montar un potenciómetro externo a modificar el impreso para adaptarlo al que encuentren.
Elenco de materiales
2 resistencias de 10 ohms 1/4 watt
2 resistencias de 150 ohms 1/4 watt
2 resistencias de 1K 1/4 watt
1 resistencia de 1,5K 1/4 watt
2 resistencias de 100K 1/4 watt
2 trimmer (preset) de 20K
1 potenciómetro estéreo 10K logarítmico
1 capacitor de 100nF 63V
2 capacitores de 3,3uF 63V (o 2,2uF 63V)
2 capacitores electrolíticos de 100uF 25V
3 capacitores electrolíticos de 470uF 25V
1 led amarillo de 3mm
2 transistores IRF510
2 reguladores LM317
1 válvula 12AU7 (o ECC82)
2 conectores jack 3,5mm para circuito impreso
1 conector de dos vías para 12V (bornes)
1 interruptor para circuito impreso
1 perilla de volumen
1 circuito impreso
4 disipadores pequeños para encapsulado TO220
tornillo, tuercas, separadores
Si no consiguen el zócalo de la válvula de 9 patitas para montaje sobre circuito impreso (come me sucedió a mi), les aconsejo de agrandar bastante los agujeros del impreso para que pasen los contactos y soldar el zócalo con la válvula puesta. Aunque si el circuito puede funcionar sin disipadores, tanto los MOSFET como los LM317 calientan un poco y yo he preferido de poner pequeños disipadores que se ven en las fotografías.

Una vez montado el circuito, es necesario regular la tensión de bías a través de los dos trimmer (o preset) de 20K que se encuentran en el circuito impreso en modo tal que sin señal, la tensión de salida de cada canal, antes del capacitor de 470uF sea de 6V (puntos indicados con la flechas rojas).
Espero que el proyecto sea de vuestro agrado.
Para terminar renuevo mi invitación para que vean mi EXTRAORDINARIO!!! (tengo que actualizarlo con los nuevos artículos ) ]
También les propongo los tres últimos artículos de LEDs:
Para terminar les cuento que en mi blog INVENTABLE pueden descargar el diseño del circuito impreso del amplificador y también el PDF del proyecto para imprimir.
Hasta la próxima!!!