Hola Amigos hoy voy a mostrarle como se puede darle vida a un sterero sin frente.
a cuantas personas no les paso que le robaron el frente del stereo o el frente dejo de funcionar
lo mejor que se puede hacer en estos casos es usar un Reproductor de tarjeta y pendray
sacar lo que ya no va a servir como filtros, resistencias que eran para el frente :-)
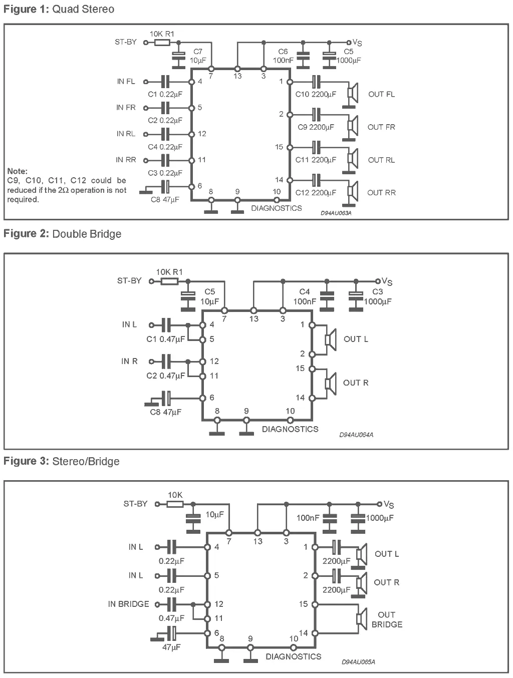
Lo único que queda es ver que integrado de audio lleva (TDA7377) en este stereo,
el tda 7377 es para 4 parlantes pero se lo puede usar con 3 o 2 parlantes aqui les dejo
una imagen con los diagramas
En el stereo viene conectado como la figura N1 Quad Stereo, en mi caso use la segunda
Double bridge y para darle un poco mas de Facha le puse un Vumetro con AN6884 que es
para 5 led sumado un 555 y un 4017 para darle un efecto de analizador de espectro de audio
También puse una llave común para el encendido, aquí pueden ver como quedo por dentro
puesto todo. El TDA 7377 consume 4A y puede funcionar hasta con 18 voltios.
Aquí esta andando con 12 voltios
El Reproductor funciona con 5 voltios por lo tanto ahí que usar un Regulador 7805
Dejo unas fotos de como se ve funcionando
Aquí el vídeo
link: https://www.facebook.com/photo.php?v=305593619558422&set=vb.148514898599629&type=3&theater
Bien Amigos por ahora eso es todo si a alguien le interesa saber mas me dicen y are
un nuevo Post pero con toda la información detallada de como conectarlo Saludos
a cuantas personas no les paso que le robaron el frente del stereo o el frente dejo de funcionar
lo mejor que se puede hacer en estos casos es usar un Reproductor de tarjeta y pendray
sacar lo que ya no va a servir como filtros, resistencias que eran para el frente :-)
Lo único que queda es ver que integrado de audio lleva (TDA7377) en este stereo,
el tda 7377 es para 4 parlantes pero se lo puede usar con 3 o 2 parlantes aqui les dejo
una imagen con los diagramas
En el stereo viene conectado como la figura N1 Quad Stereo, en mi caso use la segunda
Double bridge y para darle un poco mas de Facha le puse un Vumetro con AN6884 que es
para 5 led sumado un 555 y un 4017 para darle un efecto de analizador de espectro de audio
También puse una llave común para el encendido, aquí pueden ver como quedo por dentro
puesto todo. El TDA 7377 consume 4A y puede funcionar hasta con 18 voltios.
Aquí esta andando con 12 voltios
El Reproductor funciona con 5 voltios por lo tanto ahí que usar un Regulador 7805
Dejo unas fotos de como se ve funcionando
Aquí el vídeo
link: https://www.facebook.com/photo.php?v=305593619558422&set=vb.148514898599629&type=3&theater
Bien Amigos por ahora eso es todo si a alguien le interesa saber mas me dicen y are
un nuevo Post pero con toda la información detallada de como conectarlo Saludos