
Segunda Parte
Continuo con la segunda parte del robot a transistores. Antes de empezar hago una pequeña aclaración. Estos posts podrían llamarse "Aprendamos electrónica simple haciendo un robot" porque como pueden ver, voy muy en profundidad sobre conceptos básicos de electrónica pero en forma simple y evitando fórmulas complicadas.
Podría haber construido el robot usado microprocesadores, sensores de proximidad y un montón de componentes modernos pero se perdería el objetivo (y el desafío) que me propuse: desmistificar la electrónica. Por lo tanto encontrarán aquí largas explicaciones y muchas imágenes que he hecho con paciencia, quizás este modo de hacer sirva a algunos de ustedes que descubren este campo apasionante.
¡Buena lectura!
6. Calimaro y la luz
Dos células fotoeléctricas son los sensores primarios de Calimaro y permiten al robot de seguir las fuentes luminosas. Para hacer que el robot se oriente hacia la luz es necesaria una particular configuración que consiste en conectar la célula fotoeléctrica izquierda al motor derecho y la célula fotoeléctrica derecha al motor izquierdo como se ve en la figura:

En la figura siguiente podemos observar la secuencia de orientación hacia una fuente luminosa. Usando una linterna nos colocamos a la derecha del robot y apuntamos la luz hacia él (cuadro 1), la fotocélula derecha recibe la luz y activa el motor izquierdo haciendo girar el cuerpo del robot hasta que también la fotocélula izquierda recibe la luz (cuadro 2). En ese momento la fotocélula izquierda activa el motor derecho y con los dos motores activados, el robot se desplaza derecho hacia la luz (cuadro 3).

La forma descripta de conectar la fotocélulas puede dar origen a comportamientos complejos como se puede observar en la figura siguiente. En una habitación donde la luz no es homogénea, el robot evita las sombras cambiando dirección cuando se acerca a ellas. El efecto es sorprendente y no parece ser simplemente el resultado de una simple conexión entre fotocélulas y motores.

Sin embargo Calimaro no siempre logra evitar las sombras. El problema se presenta cuando entra en una zona de sombra perfectamente perpendicular a ella. En este caso, ambas fotocélulas quedan simultáneamente sin luz y el robot se detiene. Existen distintas soluciones para evitar este caso pero no serán tratadas en este artículo.
7. Calimaro y los obstáculos

El modo mas simple de detectar los obstáculos que el robot encuentra en su recorrido es usando interruptores llamados microswtich. El sistema de control de colisiones es mas complejo respecto al de la luz porque el robot debe seguir una secuencia temporal precisa que cambia según el sensor activado por el obstáculo en modo de poder evitarlo.
Calimaro dispone de dos sensores de colisión. Cuando encuentra un obstáculo, retrocede de algunos centímetros, gira a izquierda o derecha según el sensor activado y después sigue su camino. La secuencia podemos verla en la figura.

En el caso de obstáculos frontales es necesario dar al robot una cierta asimetría circuital en modo tal que gire lo mismo.
8. La electrónica de control
La figura muestra un diagrama en bloques del robot Calimaro. Dos plaquetas de potencia controlan los motores, otras dos plaquetas son el cerebro del robot y una quinta plaqueta sirve para visualizar el estado del las baterías.

Como ya dicho, Calimaro posee dos tipo de sensores: las fotocélulas sensibles a la luz y los sensores de colisión compuestos por microinterruptores. El sistema está conectado en modo tal que la plaqueta de control izquierda maneja el motor derecho y la plaqueta de control derecho maneja el motor izquierdo permitiendo el comportamiento descripto precedentemente.
Antes de analizar las plaquetas de control es importante conocer los señales necesarios para manejar las plaquetas de potencia de los motores y que están representadas en la figura siguiente. Mas adelante haré una descripción mas detallada de estas plaquetas. Con las dos entradas de control podemos obtener los tres modos de trabajo que sirven: motor detenido, motor hacia adelante y por último, motor hacia atrás. Existe una cuarta combinación cuando las dos entradas se encuentran a nivel alto per esta última mete la plaqueta en cortocircuito y por lo tanto es mejor no usarla.

9. Las plaquetas de control
Las dos plaquetas de control son idénticas excepto por una pequeña diferencia en los valores de las resistencias de entrada que conectan los sensores de colisión. La figura siguiente muestra un diagrama en bloques de una de las dos plaquetas de control. Una parte trabaja con la fotocélula y controla el movimiento hacia adelante del motor. La otra parte trabaja con los sensores de colisiones y controla el movimiento hacia atrás del motor. Para evitar la condición de cortocircuito en la plaqueta de potencia del motor descripta anteriormente, el comando hacia “atrás” inhibe el control hacia “adelante” a través de un interruptor representado en la figura y hecho con un transistor.

Como se puede observar en el diagrama a bloques general del robot ambos sensores de colisión (izquierdo y derecho) entran simultáneamente en las dos plaquetas de control mientras las fotocélulas están conectadas solamente a la respectiva plaqueta perteneciente. El motivo es simple: cuando Calimaro encuentra un obstáculo, raramente el objeto se encuentra exactamente de frente al robot y por lo tanto es muy probable que solo un sensor de colisión se active.
Sin embargo, para alejarse del obstáculo, el robot necesita activar ambos motores en marcha atrás por un breve momento, después uno de los motores se debe detener mientras el otro sigue girando para que el robot gire sobre si mismo y cambie de trayectoria evitando el obstáculo. Efectivamente, cuando Calimaro encuentra un obstáculo a su izquierda, gira hacia la derecha y viceversa. Para lograr este efecto, ambos sensores se conectan a las dos plaquetas de control en un modo especial para obtener el efecto de rotación descripto.
10. El circuito de la fotocélula
Como se puede observar en la figura, el circuito de la fotocélula es muy simple. En la obscuridad, la resistencia interna de la fotocélula es elevada por lo tanto, en la base del transistor Q1 tendremos una tensión mas elevada que la de umbral (0,6V) y por lo tanto el transistor entra en conducción llevando la salida de la plaqueta a masa.

Cuando la luz incide sobre la fotocélula, su valor de resistencia disminuye, la tensión en la base del transistor baja y el transistor deja de conducir y por lo tanto la salida de la plaqueta pasa a un nivel alto gracias a la resistencia R2. En conclusión, cuando hay luz, el motor se activa y en la obscuridad el motor se detiene. El trimmer PR1 nos permite de regular la sensibilidad del circuito a la luz. El transistor Q2 sirve para bloquear un eventual movimiento hacia adelante cuando el circuito de los sensores de colisión se activa.
11. El circuito de los sensores de colisiones
Como se puede observar en la figura, los dos sensores de colisiones están conectados a ambas plaquetas de control. En estado de reposo, el capacitor C1 está descargado, el transistor Q1 no conduce y el transistor Q2, gracias a la resistencia R5 se encuentra en conducción llevando la salida a masa (motor detenido).

Cuando uno de los contactos se cierra, el capacitor C1 se carga con una tensión positiva a través de D1/R1 o D2/R2. La tensión del capacitor cargado supera el umbral de Q1 y este último entra en conducción bloqueando Q2 y por lo tanto la tensión de salida será positiva gracias a R6 activando la marcha atrás del motor. Cuando el robot se aleja del obstáculo, el contacto se abre, el condensador se descarga a través de R3 pero mantiene la carga por un instante. Los valores de R1 y R2 son diversos en las dos plaquetas de control para obtener el efecto de rotación descripto precedentemente.

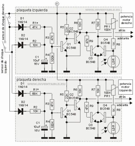
12. El circuito completo
En la figura siguiente podemos ver el circuito completo de control. La resistencia R1 de las dos plaquetas es de valor diferente como ya explicado.

13. Montaje de las plaquetas de control

Para la construcción propongo de usar una plaqueta universal como se observa en la figura (yo usé una con islas de cobre separadas entre si 5 mm.)


14. Indicador de la batería

Como podemos observar en la figura, el circuito indicador del estado de las baterías es muy simple. La tensión medida de las baterías sirve también como alimentación del circuito. Cuando las baterías están bien cargadas, la tensión en la base de Q1 lo hace conducir encendiendo el led verde. Una buena conducción de este transistor no permite que el segundo transistor conduzca, por lo tanto el led amarillo no se enciende. Cuando la tensión de las baterías baja, el transistor Q1 conduce menos y el transistor Q2 empieza a conducir encendiendo el led amarillo.

Cuando las baterías están descargadas, el transistor Q1 deja de conducir y por lo tanto el led verde se apaga mientras el led amarillo se mantiene encendido. El diodo D1 sirve para aumentar el umbral de conducción de Q1. Con baterías nuevas regular el trimmer hasta que se encienden los dos led y después girar en sentido opuesto hasta que el led amarillo se apaga quedando encendido solo el verde.

Fin de la segunda parte
Nota: soy el autor de todo el material publicado (proyecto, textos, diseños y fotografías). Agradezco mucho vuestros comentarios
Fuente (mi blog): www.inventable.eu


