Bueno gente, les voy a enseñar para que se armen su propia consola pero ahora a color. Esta consola esta basada en una que hizo Eric Smith . Rickard Gunee luego mejoro el codigo y completo la consola esta a un nivel bastante bueno e inmejorable. Yo la arme y utilice los codigos de Rickard y funcionan muy pero muy bien.
Aclaro para los que saltan a bardear como en el Mod anterior. Las fotos son de RICKARD ya que cuando yo arme estos proyectos nunca le saque fotos. La base del sistema es de ERIC y los codigos que les voy a pasar aqui estan modificados por mi y por RICKARD.
Los unicos juegos que hay por ahora son Tetris y Pong, pero Rickard me comento que esta desarrollando el galaxian en este momento. Yo por mi lado, estoy terminando el Arkanoid, aunque esta bastante duro

ejjejeje. Asi que esperen nada mas, que estamos desarrollando mas jueguitos para esta consolita.
Preambulo
Se hace esta consola por simple hecho que en blanco y negro no era agradable para todos. La unica forma de hacerlo es usar micros de la empresa SX, Atmel, AVR o Freescale, ya que los PIC y los COP no tienen la velocidad suficiente para procesar los datos.
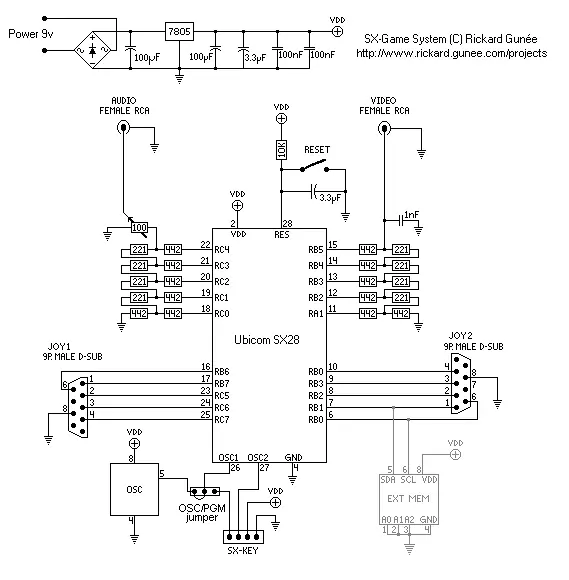
Este sistema funciona con cualquier Joystick de C64/Amiga/Atari (si no tienen no importa que enseño a armarlo). Tiene salida de audio y el procesador es un Ubicom SX28.
Nivel de dificultad (1 a 10) = 9
Primero que nada, la lista de ingredientes necesarios para el mod.
Micro SX28 - 1
Regulador 7805 - 1
Puente rectificador - 1
Oscillador NTSC - 1
Conectores RCA Hembra - 2
Conector DB9 Hembra para plaqueta - 2
Plug de alimentacion de 2.1mm - 1
Zocalo 28p (14x2) - 1
Zocalo 8p (4x2) - 2
Resistencia 221ohm 1% - 9
Resistencia 442ohm 1% - 12
Resistencia 10k 5% - 1
Potenciometro 100ohm - 1
Capacitor 100nF - 2
Capacitor 1nF - 1
Capacitor 3.3uF - 2
Capacitor 100uF - 2
Disipador - 1
Una vez reunido todos los compenentes vamos a comenzar, pero antes, les vuelvo a recalcar que antes de comenzar cualquier proyecto tengan en cuenta estos 3 puntos.
1 - Tener la punta del soldador bien limpia (calentar la punta del soldador, una vez caliente utilizar una virulana para quitar todos los residuos que tenga la punta)
2 - Calentar muy bien la punta del soldador cuando estemos por utilizarlo
3 - Comprar estaño de buena calidad.
Acotacion:
Las puntas de ceramica son las mejores, pero si no tenes un presupuesto tan abultado podes comprar las de larga vida. Si aun asi seguis corto de dinero podes comprar las comunes, pero te aconsejo que tengas una lima a mano para que limes cuando la punta se va desgastando y dejarla siempre limpia y pareja, es un poco tedioso pero es la opcion mas barata.
Costo aproximado: (comprando todos los materiales y 2 SX para tener un juego en cada uno) $60 a $70
Manos a la obra.....
El hardware es sencillo. La alimentacion se obtiene a partir de una fuente sencilla basada en un regulador 7805. La tension de entrada deberia ser entre 8 y 15V. Un transformador de los viejos de 9 o 12V viene al pelo para este proyecto.
Se utilizan tambien 2 joystick de consolas viejas, si no tienen les enseñoo a hacerlos. Estos son sencillos y tienen 5 switchs, abajo, arriba, izquierda, derecha y el boton. Estos switches solo puentean la linea a tierra y se detecta el 0 adecuado en el pin. Se lo podria conectar directamente a los pines del micro, pero es necesario, por precaucion, que se les coloque unas resistencias adicionales llamadas resistencias de Pull-UP para proteger el micro.
La seccion de video es medio grosa para explicar como funciona asi que para no confundirlos dire que solo se hace con una escalera R2R para generar la señal de video. Internamente, el que quiera, puede ver el codigo para que aprenda como se genera.
Todos los valores que doy en la lista de componentes no son cruciales, todos pueden varias un poco si se desea. Con una variacion del 5% siguen funcionando JOYA. Lo unico que no puede cambiar es el Cristal. Lo que si es crucial es el cristal, que va a tener que tener una frecuencia especifica dependiendo la norma a la que se quiere trabajar.
El cristal tiene que correr 12 veces mas rapido que la frecuencia del COLOR CARRIER del TV.
Aqui abajo les dejo una tabala para que sepan que cristal tienen que comprar para la norma que quieran utilizar.
PAL:
Frecuencia de Carrier - 4.4297125 MHz
Frecuencia de Cristal - 53.156550 MHz
NTSC:
Frecuencia de Carrier - 3.579545 MHz
Frecuencia de Cristal - 42.954540 MHz
PAL-N:
Frecuencia de Carrier - 3.575611 MHz
Frecuencia de Cristal - 42.907332 MHz
PAL-M:
Frecuencia de Carrier - 3.582056 MHz
Frecuencia de Cristal - 42.984672 MHz
Les recomiendo que armen el sistema para NTSC o para PAL. De esta forma les va a andar en cualquier televisor.
Ahi esta el esquematico. Con este... hagan el diseño de la plaqueta que ustedes quieran. El que mas les convenga.
Pueden hacer que termine como la primera fotito del post, para usar por separado los joysticks, o pueden incorporar los joysticks en la misma placa. Si quieren ver cuales son los pasos a seguir para completar el armado de la placa pueden ver mi post anterior ()
Si tienen joysticks de C64 o Atari o Amiga pueden usarlo aqui directamente. Para los que no tienen los joysticks y quieren hacerlo de la otra forma, aqui les pongo como tienen que armar el joystick. Es muy sencillo.
EL conexionado con el televisor es comun y corriente. Utilizan solamente 2 cables RCA, pero si alguno tiene una TV importada con conexion SCART, aqui esta como lo conectan

LOS JUEGOS...
No voy a explicar el funcionamiento del codigo para que anden los juegos por que es bastante complejo, me voy a remitir a ponerle imagenes de los games para que vean como son y les dejo el link al codigo de Rickard para que los bajen.
EL PONG...
EL TETRIS...
El soft para grabar el micro lo bajan directamente de aqui
--> Tetris
--> Pong
Lo unico que queda es grabar el SX, que es un proceso sumamente sencillo. Todos los que vieron mi mod para hacer un Joystick de NES en puerto USB entienden como viene la mano, con la unica diferencia que antes grabamos un micro freescale y ahora grabaremos un SX.
Pueden utilizar cualquier soft libre y cualquier programador.
Si tienen problemas o les parece complicado me pegan un chiflido que les hago un tutorial paso a paso para que no se compliquen

SUERTE

Y ya saben.... cualquier duda que tengan me pegan un chiflido que salgo al rescate. Pasen por para que vean mis otros aportes.
SALUDOS
Aclaro de nuevo... por que hay gente que no lee el principio.
Esta consola esta basada en una que hizo Eric Smith . Rickard Gunee luego mejoro el codigo y completo la consola esta a un nivel bastante bueno e inmejorable. Yo la arme y utilice los codigos de Rickard y funcionan muy pero muy bien.
Aclaro para los que saltan a bardear como en el Mod anterior. Las fotos son de RICKARD ya que cuando yo arme estos proyectos nunca le saque fotos. La base del sistema es de ERIC y los codigos que les voy a pasar aqui estan modificados por mi y por RICKARD.