InicioHazlo Tu MismoPrender Pc sin el interruptor de encendido
Prender Pc sin el interruptor de encendido

informatica

Encender el pc sin el botón de encendido

facil

Muchas veces nos pasa que se nos rompe el botón de encendido y no encontramos forma de encender la PC, por eso les voy a contar un poco, la forma que tengo yo de hacer arrancar un equipo.



1. Tenemos una torre.
2. Abrimos el lateral izquierdo de la torre.
3. La colocamos sobre una mesa, acostada y con bastante luz.
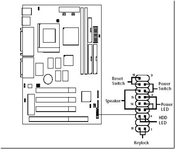
4. Seguimos el cable que conecta a la placa base(motherboard) con el botón de encendido.
5. Localizamos un cable con un conector que se llama POWER SW, lo quitamos.
6. Tomamos una pieza metálica (un destornillador por ejemplo) y hacemos contacto con los pines que estaban tapados por el POWER SW.
7. El PC debería de encender, de lo contrario tenemos alguna pieza mal en nuestro ordenador.
8. También podemos unir los dos cables del conector POWER SW, para que el equipo encienda cuando lo enchufemos.


Muy útil cuando se nos rompe el botón de la caja y no funciona.
Datos archivados del Taringa! original
17puntos
1,904visitas
50comentarios
Actividad nueva en Posteamelo
0puntos
0visitas
0comentarios
Dar puntos:

Posts Relacionados

Dejá tu comentario

0/2000
50 Comentarios archivados
Del Taringa! original
A@Anónimo10/2/2013+0-0
tambien puedes cambiar el conector del power al de reset desde la placa.. y envés de resetear la pc encendera y apagara...
A@Anónimo10/2/2013+0-0
La otra es, quitar y poner la bateria del BIOS, obviamente con la fuente apagada. Reconfiguras y listo
A@Anónimo10/1/2013+0-0
?? o no tiene solucion ?
A@Anónimo10/1/2013+0-0
@xXgringomanXx Lo dije en Sarcasmo. Yo también hace 4 que la tengo y de todas las PC que tuve nunca se me rompió el botón.
A@Anónimo10/1/2013+0-0
@xXgringomanXx Lo dije en Sarcasmo. Yo también hace 4 que la tengo y de todas las PC que tuve nunca se me rompió el botón.
A@Anónimo10/1/2013+0-0
y que pasa si el boton de mi notbook se echo a perder y no la puedo prender ?
A@Anónimo10/1/2013+0-0
es en serio es mas fácil que la corrupción se acabe a que yo utilice el contenido de tu post!
A@Anónimo10/1/2013+1-0
Este gif me parece algo perturbante en cierta forma.
A@Anónimo10/1/2013+0-0
A@Anónimo9/30/2013+3-0
@Skyper91 4 años que tengo la compu y el boton anda como si nada....
A@Anónimo9/30/2013+3-0
@Skyper91 4 años que tengo la compu y el boton anda como si nada....
A@Anónimo9/30/2013+0-0
TENGO UN METODO MAS FACIL, LA EMPUJAS Y LE DAS ARRANQUE.
A@Anónimo9/30/2013+0-0
@BlackSaturno Ok, Steve.
A@Anónimo9/30/2013+0-0
lo enchufas y lo desenchufas
A@Anónimo9/30/2013+0-0
no, acordate q no tiene q quedar puenteado, es solo un BREVE contacto...................... para encender y un BREVE contacto para apagar o cerrar
A@Anónimo9/30/2013+0-0
Exacto
A@Anónimo9/30/2013+0-0
UN JUMPERY MUERTA LA LORA.
A@Anónimo9/30/2013+0-0
LOCO NO SERIA MAS FACIL USAR EL RESET Y CERRAR EL CASE. HACIENDO CONTACTO CON EL DESTORNILLADOR CORRES RIESGO DE CORTO.
BUEN TRABAJO DE PONER IMAGENES Y DIAGRAMAS
TE TOMASTE TU TIEMPO NO....
SALUDOS.
A@Anónimo9/30/2013+5-0
A@Anónimo9/30/2013+0-0
@guitarenarg me la compro mi chongo q me destaja la raja todas las noches
A@Anónimo9/30/2013+0-0
@d3pr4 Me decis bruto a mi y vos todabia segis usando Jumpers.... esta bien Bill, vos tenes TODA LA POSTA
A@Anónimo9/30/2013+0-0
@Pilotocochino venias bien con el teclado !! o el teclado no es tuyo ??? o la maquina no es tuya ???
A@Anónimo9/30/2013+0-0
hace contacto con un destornillador plano
A@Anónimo9/30/2013+0-0
@guitarenarg deja de isteriquearme loca y entrega la cola q te la descoso
A@Anónimo9/30/2013+0-0
Hola, es mas facil y menos riesgoso, ubicar el Power Sw y cambiarlo por el Reset Sw, de esa manera podes prender y apagar tu PC con el boton de Reset (a mi modo de ver es mas recomendable y seguro) saludos
A@Anónimo9/30/2013+0-0
A@Anónimo9/30/2013+0-0
A@Anónimo9/30/2013+0-0
@S_M_A_R_T_5 el termino oficial es "Safe House" es supuestamente donde el informante se encuentre seguro, hay película copada con ese nombre Googleala.
A@Anónimo9/30/2013+0-0
@S_M_A_R_T_5 el termino oficial es "Safe House" es supuestamente donde el informante se encuentre seguro, hay película copada con ese nombre Googleala.
A@Anónimo9/30/2013+1-0
@exehcore Ok gracias por el dato
A@Anónimo9/30/2013+1-0
@exehcore Ok gracias por el dato
A@Anónimo9/30/2013+0-0
@BlackSaturno Flaco hablas de puentear una fuente, haciendo un golpe directo. Es mas fácil hacer contacto el jumper de encendido puenteando de esa manera. Te haces el especialista y sos terrible bruto.
A@Anónimo9/30/2013+0-0
eso sirve para saber si la maquina no prende por que esta roto el interruptor o el problema es el la placa.....muy util.
A@Anónimo9/30/2013+0-0
A@Anónimo9/30/2013+0-0
Tengo un portatil, que no prende x q se daño el botón
A@Anónimo9/30/2013+0-0
No podes mantener un cable unido, para que al enchufar se encienda la PC, puesto a que sería como prender y mantener apretado el boton de encendido.
A@Anónimo9/30/2013+0-1
A@Anónimo9/30/2013+0-7
Es típico que se te rompa el botón de encendido.
A@Anónimo9/30/2013+0-7
Es típico que se te rompa el botón de encendido.
A@Anónimo9/30/2013+1-1
de ultima puentes la fuente y listo, la apgas del boton PWR de la fuente...
A@Anónimo9/30/2013+0-0
jajaja y soy bien rosarino!
A@Anónimo9/30/2013+0-0
Echale imaginación domingo o son las 2 de la mañana. De todas todas aunque algunos se hagan los listos no sabían que desde la placa haciendo corto se arrancaba un PC.
A@Anónimo9/30/2013+9-0
Ah.. yo pensé que con la mente.
A@Anónimo9/30/2013+0-0
No seas malo un pulsador sale 2 dolares 3 cuando mucho xd
A@Anónimo9/30/2013+1-0
buen post a favoritos
A@Anónimo9/30/2013+0-0
que mierda esta haciendo, ni modo que le esta dando respiracion boca a boca.
A@Anónimo9/30/2013+0-0
Apagar la compu.... me quedo sin chamba y me demanda
A@Anónimo9/30/2013+0-0
a mi me paso y lo cambie al de reset, no supieras el mini infarto que meda cuando no prende por todavía pienso que sirve el power
A@Anónimo9/30/2013+3-0
O desconectas el switch roto y compras uno nuevo por 2 mangos...
A@Anónimo9/30/2013+0-0
Que bein

Autor del Post

m
met_1🇦🇷
Usuario
Puntos0
Posts49
Ver perfil →
PosteameloArchivo Histórico de Taringa! (2004-2017). Preservando la inteligencia colectiva de la internet hispanohablante.

CONTACTO

18 de Septiembre 455, Casilla 52

Chillán, Región de Ñuble, Chile

Solo correo postal

© 2026 Posteamelo.com. No afiliado con Taringa! ni sus sucesores.

Contenido preservado con fines históricos y culturales.